EasyManua.ls Logo

Philips BM7713 - Page 5

Philips BM7713
17 pages
Print Icon
To Next Page IconTo Next Page
To Next Page IconTo Next Page
To Previous Page IconTo Previous Page
To Previous Page IconTo Previous Page
Loading...
a
wn
tee
OY
led
3
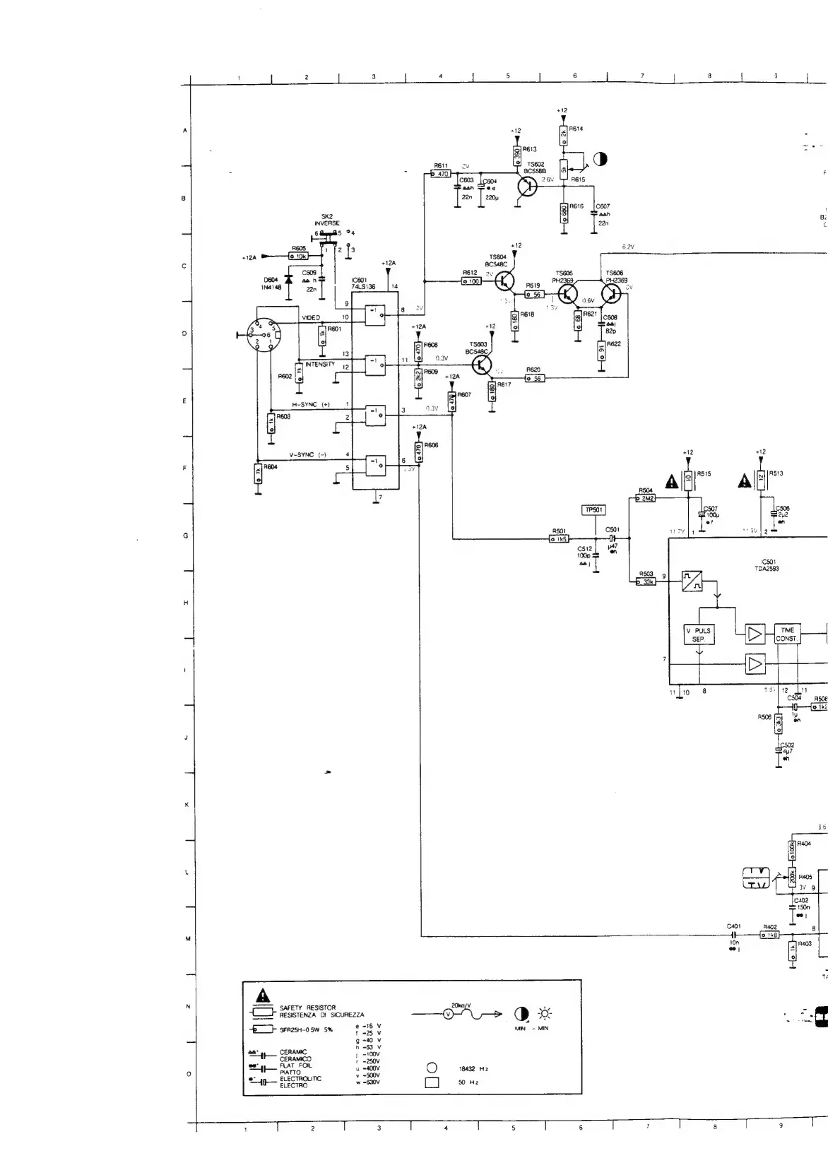
R616
|
Ceor
|
SK2
an)
8
|=
dl
+128
(C601
74S136
TPS§01
RSO1
i
SHety
pesistoR
6
RESISTENZA
Di
SICUREZZA
oO
‘*
e-6
Vv
BT}
sFR2sH-0
sw
5%
feet
MIN
-
MIN
g-40
Vv
n-63
V
aay,
CERAMIC
2
1t—
Ceramico
Vey
ow
FLAT
FOIL
1t—
parto
¥
=S00V
Oo
.
ELECTROLITIC
:
—At—
Evectro
tae
CI

Related product manuals