EasyManua.ls Logo

Philips BM7713 - Page 7

Philips BM7713
17 pages
Print Icon
To Next Page IconTo Next Page
To Next Page IconTo Next Page
To Previous Page IconTo Previous Page
To Previous Page IconTo Previous Page
Loading...
18 19
20
21
22
{
23
24
-
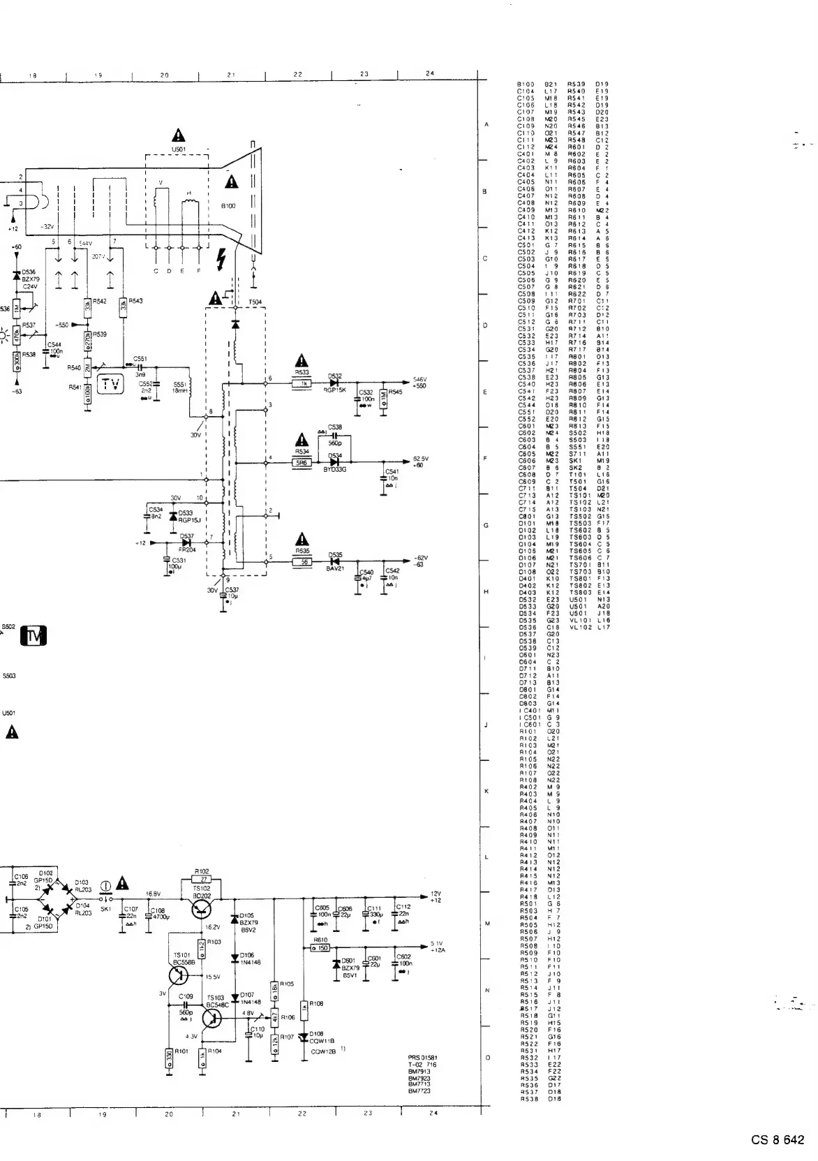
8100
821
R539
019
Cig4
L17
R540
£19
cros
Mita
RS41)
E19
*
C106
LIB
R542
019
C107
MI9
AS43020
C108
M20
AS45
E23
A
C109
N20
AS46
B13
C110
021
A547
B12
=
C111
MQ3°
R548
C12
st
Cit2
M24
REOT
D2
.
Caot
MB
R602
2
C4021
9
RE03
E
2
c403
Kil
R604
F
1
c404
L111
R605
Gos
C405
Nit
9608
F
4
8
C406
O11
REO7
£
4
C407
Ni2
ABOB
O
4
C408
N12
REO9
£
4
C409
M13
ABIO
MQ?
C410
oMIZ.
ABI1
B84
i
Catt
O10
RBI2
C4
C412
-K12
«R613.
AS
C419
-K1d
«REIS
AB
C501
G7
REIS
B66
C502
«J
9
R616
8B
6
c
C503
G10
REI?
£
5
c504
1
9
REIB
O05
C505
s10
REIS
C5
C506
G9
R620
£5
C507
G8
R62!
O06
e508
111
R622
07
C509
Gi2
A701
Cit
C510
F15
A702
C2
C5it
G16
A703
DI2
C512
ATT
Cit
C53!
G20
ATI2
B10
39599
6532
£23
A714
Att
&
C533
M17?)
«R716
«B14
-
C534
G20
R717
Br4
551
C535
117
ABO!
O13
a2
leery
C536
si?
RBO2
F13
gi
C537
H21
RBOS
F13
C538
£23
ABOS
G13
C540
423
ABOG
E13
cS41
F23
A807
E14
C542,
H23
ABO0S
G13
|=
eS
C544
018
B10
FI4
8
CS§t
020
ABIt
FI4
C552
£20
ABI2
GIS
C601
M23
A819
FI5
C602
M24
$502
H18
c603
8
4
$503
118
€604
8
5
$551
£20
C605
Me2.
S711
ANT
F
C606
M23)
SKi-—
MIG.
C607
8
6
SK2
82
cs08
O7
TOY
LI6
c609
C2
1501
GI6
c7it
B11
504
D211
C713.
A12«-T$101
MeO
C714
At2
TS102
121
C715
Ata
TS103
N21
€801
G13
S502
G15
G
0101
MIB
«~TS503
£17
0102
L1€
TS602
BS
0103
L19
T8603
D5
0104
MIS
TS604
C5
0105
M21
TS605
C6
k*
0106
met
TS606
C7
D107
N21.
TS701
811
0108
O22
18703
810
0401
K10
T8801
F13
D402
K12
TS802
£13
H
D403
K12
1S803
E14
0532
£23
US501
N13
D533
G20
us0t
azo
D534
F29
Uso!
18
0535
G23.
VL101
L16
S502
0836
C18
vl102
LI7
7
inv,
0537
G20
IV
0538
C13
0539
C12
i
0601
N23
0604
C2
D711
B10
$503
0712
Att
0713
B13
L
0801
G14
C802
F14
0803
Gia
ic4ot
Mit
ns
10501
G9
J
1601
C3
A
A1o1
020
A102
L2t
A103
Net
1
A104
021
A105
N22
A106
N22
A107
022
R108
N22
R402
M9
«
R403
MG
R404
2.
R405
LQ
R406
N10
R407
NIO
=
A408
O11
Agog
N11
R410
Nit
A4it
Mit
L
A4i2
O12
Raia
N12
R44
N12
Ra1S
N12
R416
M13
L
R417
O13
}
i
R418
112
sete
H
Bzx79
agos
F
7
Pt
R505
Hi2
a
Bbve
R506
J
9
Bay
R507
HI2
A508
110
D106 nize
R509
FI10
oa
$1
Fl
ING
R511
Fil
R512
J10
a513
£9
N
A514
511
ay
0107
R515
FB
7
1N4148
R108
R516
J11
rn
419V
R517
12
ones
R106
R518
G11
is
R519
HIS
A520
F16
0108
AN07
A521
G16
Fcawe
A522
F16
cowie
|
A531
HI7
L
PRS
01581
)
A532
117
T-02
716
A533
£22
BM7913
R534
£22
8M7923
A535
G22
8M7713
RS36
O17
8M7723
R537
018
A538
018
18
19
20
21
22 23
I
24
CS
8
642

Related product manuals