EasyManua.ls Logo

Philips CDI 220/31 - Electrical Drawings; Block Diagram

Philips CDI 220/31
55 pages
Print Icon
To Next Page IconTo Next Page
To Next Page IconTo Next Page
To Previous Page IconTo Previous Page
To Previous Page IconTo Previous Page
Loading...
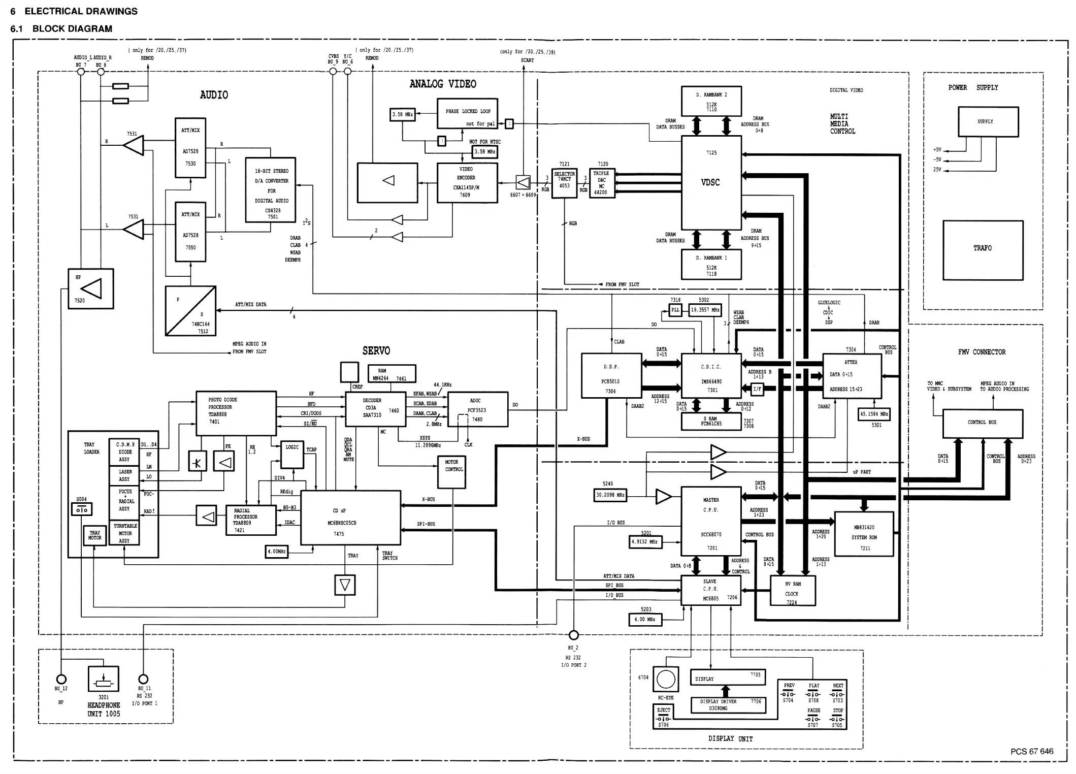
6 ELECTRICAL DRAWINGS
6.1
BLOCK DIAGRAM
----------------------------------------------------------,
I
I only
for
/20 /25,/31) ( only fot
llO
/25
/311
(only
for
/20 /21
/19)
I
AUDIO
LAUOIO
R
RE!!Oll
Cl'BS
Y/C
1'EMOO
SCART
I
- -
BU9BU6
I
BUl
8;!_8
6-o---,
__________________________________________________
·------------------------,
r-----------------7
I r ·-i;
.,-.
J-
·-
--------------------------
------
I : I ,
' I -
AUDIO
ANALOG
VIDEO
I
D.
RAMBm
i
DIGITAL
v10to
I I
POWER
SUPPLY
i I
I
!
==
T
PHASE
LOCKED
LOOP
i
m~
DlW!
MULTI
I I ! ,
I I .----, not for pal
f---01---1---1-------------,
DAT::ms
I l
MJD!\ESS
BOS
MEDIA
I
SUPPLY
I I
I
I
1-
----i
ATT/MIX
~-~-
I
L.----i
__
;._
_
__..__
0+8
CONTROL
I
'-...--.-
.....
---'
I
,
1
R
~
AD1528
R
.------,
,._...,
___
-_.,
I
~
B'
i ms
i.-----------------
i : I 1
1
1530
,_
._
L 18-B!T
STEREO
VIDEO
~I
SE::~R
TR:~::
i..-------1
~--------
25V
<1
ENCOOER
74HCT
-+'
DAC
.._
______
...
VDSC
I f
DIA
COIIVER!ER
-
,.._
~
CXA1115P/M
I
RGI!
4053
RGB
MC
,."
______
.....
1-------,
I
I
,____j
FOR
1609
6607
+
66091
...__
~"
1
1
1
DIGITAL
AUDIO
I -
·-----•
.---------~
I
I L
1531
1-1-+--I
UT/M!X
I-
R
7501
I'S
- 2
-<:}--
I
RGI!
'--::11~-~:r---'
=
!,
"'1--
MJ1528
1
DAAB
'-----1---c
1-------'
I
DRAM
J J
ADDRESS
aus
HP<J
-
7520
TRAY
LOADEI\
C,D.M.9
DIODE
ASSY
LASER
ASSY
FOCUS
+
RAO!ilL
1550
DATA
BOSSES
9'"15
TRAFO
J
=1
I
--;....____
J
WSAB
I D .
RA!IB/INX
l
':
DEl!MPH
512K
I
7118
.._
_______
___.
I
1------
FROIIFMV
SLOT
------------
_ ...... _
....--·--------..
I
AT!/MIX
DATA
!
_QJ19
slisos~
=·•
G1UfzOGIC
' L
_________________
J
.._
__
_;_
____
-):..
1
___________________________
-r-
1
--.
~
, ·=•1
~~
coic
I
..
-----+----..coo"------,
l
o•EEMP_H___
osP
om I
________________
_
••
I
-7
C~.ll
2
l!l'EG
AUDIO
rn
1•
.---.;.;ll;;.Ol:.-1.........,co1's;10L
;I:
FMV
CONNECTOR
ii
'--------WM
!'!IV
SLOT
SERVO
DATA
DATA
OHS
0..-15
-
PHOIO
DIODE
PROCESSOR
!!FD
TDAIBOB
CRI/OODS
........
1401
SJ/RD
DLD4
l!F
LM
10
~
FE
RE
1,2
<]
FOC-
1
REdig
I
,
.
I
I
-..
ATTEX
,,i
II,
[J
RA>I
DATAH5
i-
MN4261
7461
TO
MMC
l!l'EG
AUDIO
IN
CREl'
I
44.
IKllz
-
MJDRESS
15+23
,
VIDEO
&
S!JBSYST!.M
TO
AUDIO
PROCSSS!NG
EFAB,WSAE/
-------,
I I t I
D.S
P,
C.D.!
C
ldlDID:SS
B
hll
PCSSOln
!J.!S66490
-
7301
~
730£
DECODER
ClllA
SAAlllO
MC
AllOC
I t i
',
SCAB,
SDAB
DC
tAAS2
7460
ADDRESS
12,1s
DATA
t
J,
ADDru!SS
Dill1
Q,15
0,11
DAAB,
CI.AB
PCF3523
I I
45
15$4
Mil•
I j f
I
1,-1
mo
s
!WI
1301
i
CONTROL
BUS
I
2
,al!R,
1
,
._
__
r_c_e,_1c_6_s
_
__.ma
5301
! !
l~
__
xsr_s
__
~I
JK
x-Bus
1
,.
•"
1
1UM611R,
~
·1
!
X·BUS
-
MOTOR
CONTROL
.__,....
I
I
-
I---------
-1---
-----=--=----_-_
-_-
7
-
~;::_-
__
._·
___
_-11,__f----
__ -
__
-_·
_
__
._
~
-PAR_T___
I
5240
I
30,2098
Mll•~t--
.......
-1{>-
DATA
0,15
MASTER
.
DATA
0,15
CONTROL
BUS
ASS!
lWJ±
-~l------lq_
TURll'WlLE
~
RADIAL
PROCESSOR
TDAl809
1121
CD
uP
MC68HSC05C8
7415
SPI-BUS
I
I
1/0
BUS
C.P.0.
ADDRESS
1,23
L
MB831620
MOTOR
ADDRl:SS
..
I
I
R
ASS?
14,9152
MHz
f--
SCC68010
COIIIROL
BUS
i...
1-.-20
SYSTEM
ROM
I
I
I
I
I
I
I
I
I
I
I
I
I
I
I
t
4,00MH,
I
TRAY
TRAY
SWITCH
i
I
!
7201
11ll
ATT/l!lX
DATA
DHA
0•81
J
ADD?SS
DATA
B+l5
CORTRO!.
ADDru!SS
1H3
SPI
BUS
SLAVE
1W
RAM
C.P.tl.
1/0
BUS
7206
CLOCI'.
Mc:6805
,,,.
5203
11,00M112
1--
----------------~--~--~-------~-------------------------------~-~----~~
r--
------------~---~
r--------~--~--
--
---
I
I
I
I
I
I
I
I
I
I
I
BU
11
HP
I
3101
HEADPHONE
UNIT
1005
BU_ll
JIS232
1/•
PORT
l
L-~--~~-~~-----------
RS
232
1/0
PORT
l
I I
I
_......,
____
_, I
I
O
11os1
I
I
6104
DISPLAY
----'-----,
J
I
_...
PRE>'
m,Y
NEX'!
I
I
____
....,
•_____
*
-oio-
-$-
I
I
~RC-EYR
OlSP1Al
ORll'lcR
7106
I
5104
SlOB
S103
I
I
U3090MG
PAOSE
STOP
I
1,
C>-6
,._
__________
__,
~ ~
',
S707
Sl05
I I
I
DISPLAY
UNIT
I
I I
--------------------------------------------------------------
~---------------=-------------------
_____________
PCS67646_j

Related product manuals