EasyManua.ls Logo

Philips CDI 220/31 - Wiring Diagram

Philips CDI 220/31
55 pages
Print Icon
To Next Page IconTo Next Page
To Next Page IconTo Next Page
To Previous Page IconTo Previous Page
To Previous Page IconTo Previous Page
Loading...
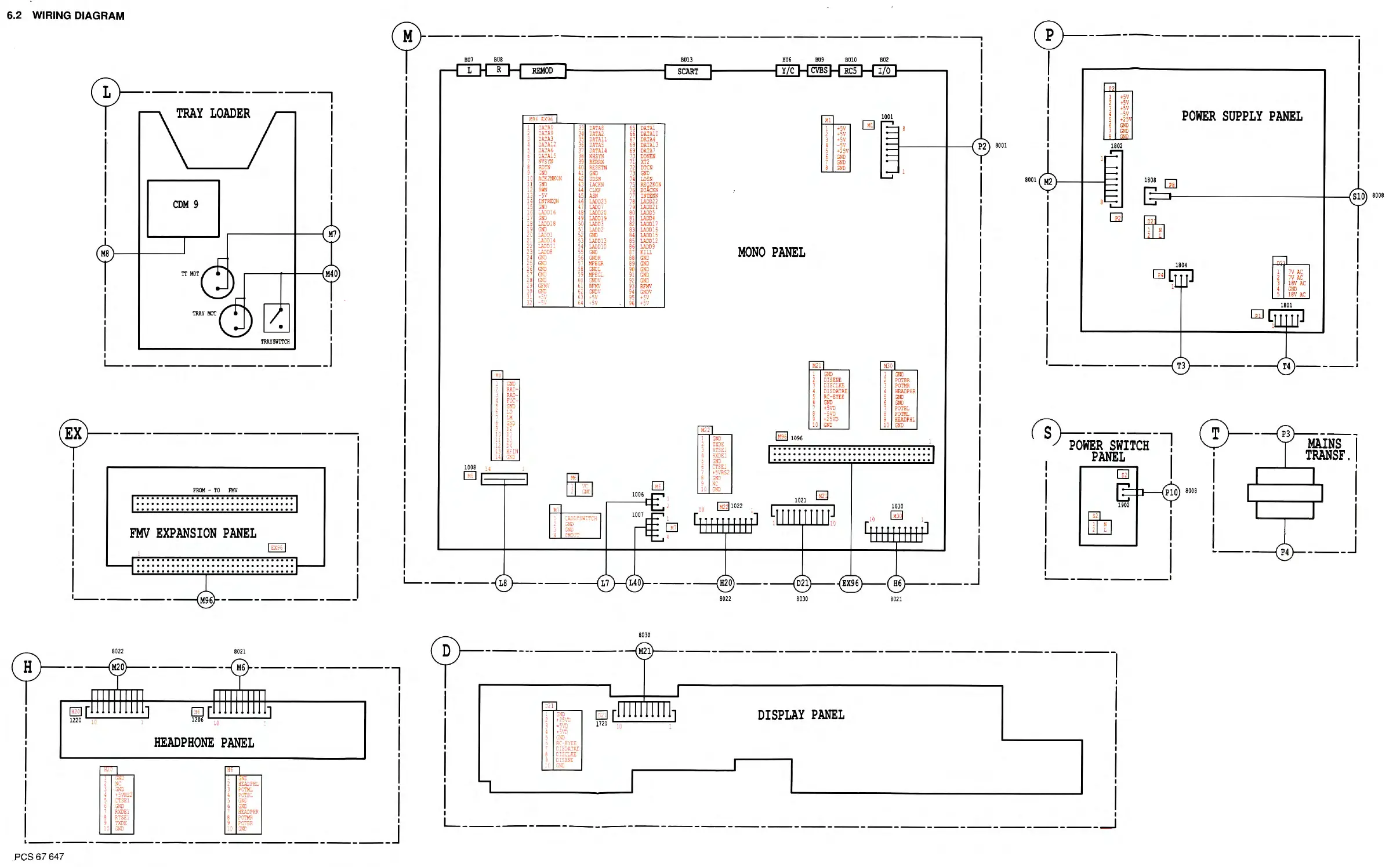
6.2 WIRING DIAGRAM
TT
l«l'?
I
I
I
I
I
I
\'RAYSlfITCH
I
L
____
_
_______
_I
~----
-
--------,
I
I
I
I
FRQ(-TO
FHV
I
I
1
1
I . . .
..
. . . . . . . . . . . . . .
..
. .
..
. . . . . . . . .
I
I
I
~-~~~~;~~•
;~~
••
••••
!
I : : : : : : : : : : : : : : : : : : : : : : : : : :
:
~:
:
I
!___
__
_ --------
i
HEADPHONE
PANEL
rm7
rnr
i
~ ;
~
:;~~
+:V'RS2
:1sr:
~
:;!,'O
ROE:
3
~TSE:
9
IXDE
1:
~'D
i
:;
i,.i:
HillFii:.
3
?C7?<1.:.
l
?CTE:.
I
'.:l,"t
!
:;,,,:
READPr.F
8
?C':'!'J,
9
?C'.1lR
ij
~h't
_
PCS6764
7
M
9E
E
X96
I
I
JACA
f
JJ
DA
TAS
65
D
ATA
!
l
JA7A9
34 DA
TA/
66
DA:
AI0
JA
"!
A3
JI
DA!A
ll
6'
D
ATAI
I
JA~
A
:2
)6
DA
't'A5
68
DA
TAl ]
JA1
A6
l'
D
ATAl4
69
OATA
7
c
:l
ATA
l:
38
N
HSY
N
'0
OO
NEN
1
WS'!N
39
B
ER
RI<
1"
XT2
e
RDYll
40
RE
SE
TN
12
DTCN
9
.;J,
'D
4:
G!,'t
13
GND
10
A
CK
2!lfl(
CN
42
IJD
SH
14
LD
SN
II
~
NO
4]
!AC
l(N
15
~i
~
~N
12
Rim
44
C
:.KF
16
13
-5\'
41
ASN
1;
:tr.U,'N
H
!
li1'
REQ
N
46
LAD
I:2'.3
LAD
021
;5
~NJ
41
LAD
Ci
·9
LAIJ
021
16
:.AJ:>!6
48
LAD
D2:
80
LADO
~
:1
G
l'I
~
cg
LAIJCl
9
Bl
LAIJ
D4
lS
:.A:l
DIS
50
LAIJC
)
82
LADO
li
· o
~NO
s:
LADC
1
SJ
l.AD
016
ic
:.A:l0l
51
GND
84
IJ.D
01
5
11
:.A:)
014
53
LADD13
81
LAD
D12
21
:.AJ:n:
;4
LAIJ
DIC
B6
LAD
D9
23
:Jut:5
II
GNll
B1
K:
ll
24
(;!.';)
56
GNll
R
BB
GND
15
G
?I.
~
!eE
GP
B9
GND
26
i;,.-:,
56
2-'D:.
90
GND
;,
GS':
59
MPE.
G:.
91
GND
28
GlC
EO
:;,rov
91
GND
29
GF)f;
61
BFMV
93
RFMV
JO
GJ;l)
6;
:;1
mv
i4
G!ll)
V
JI
·
'.:Y
63
IV
95
SV
31
-~·:
64
IV
96
-I V
l
OO
B .
l
[ill
__
;.;.
_
-:_-:,.-::.-::.-::.""
~-
-
----_
8030
I
-
:d
I
I
I
I
I
~
M22
I
G1l!l
2
T:OE
l
ars::
:
mt:
QC
i
C
TSL
1
t5VRS2
B
GHJ
9
N:
10
S
t.
':
8022
100
1
•I
V
GI
~
-
IV
IV
·
IV
·
25V
GND
GND
GND
MONO
PANEL
-
"21
~
"30
1
:;
ND
l
GNll
l
O
ISEU
E
0JSC
LJ<
E
l
O
iS
O
ATAE
R:
-Eru
6
GND
7
tS
VD
l
P
OTI!
R
3
POM<
I
HEAD
PHR
;
GND
6
GND
7
P0
TB
L
8
-ll'D
9
+25
VD
B
?O
TML
9
HEADP
HL
10
G],'O
10
CN
D
~
1096
....
.
....
.
..
.
..
.....
..
..........
....
.
....
.
.....
.
......
.
......
.
..
.
...
.
....
........
..
.
..
........
..
8030
80
21
8
001
___
J
cp-----------------1
I
I
BOO!
I
I
I
POWER
SUPPLY
PANEL
I
I
I
I
180
2
,______.~
180
4
GI
uii]
'--------
-
80
08
I
I
I
I
I
-----
-
-----·
©--
I
I
I
I
I
I
1V
AC
JV
AC
lBV
AC
G],'l)
18
V AC
]
I
I
I
I
I
I
___ J
------
-
-------------
-
---
-
-1
I
DISPLAY
PANEL
..,____
I
I
I
I
I
I
I I
L---
----------
-
------
--
---
--
----
-
---
----~

Related product manuals