EasyManua.ls Logo

Philips CDR570 - Lubrication Instructions

Philips CDR570
98 pages
Print Icon
To Next Page IconTo Next Page
To Next Page IconTo Next Page
To Previous Page IconTo Previous Page
To Previous Page IconTo Previous Page
Loading...
Mechanical instructions
GB 13CDR 3rd gen. 4.
4.6 Lubricating
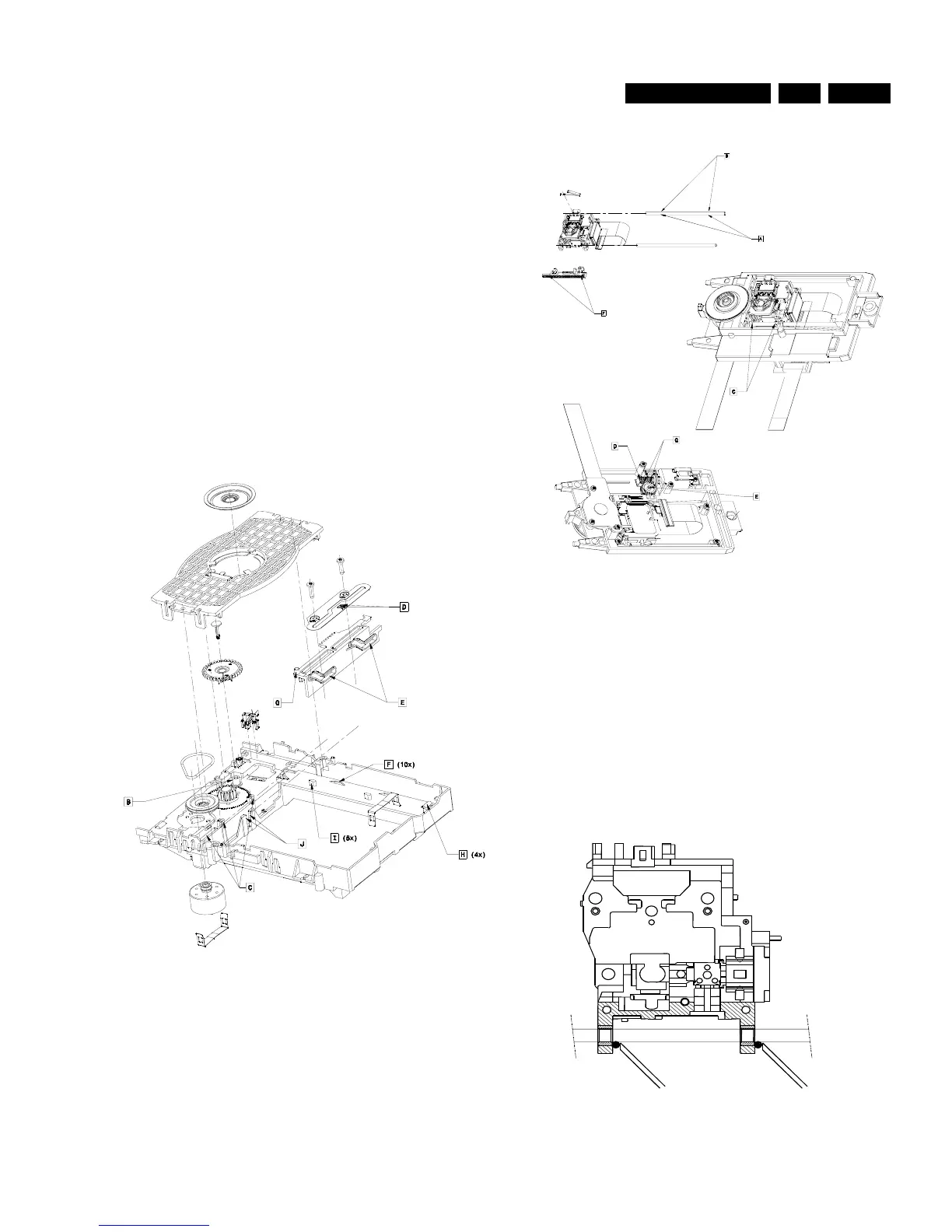
4.6.1 LUBRICATING INSTRUCTIONS FOR GENERIC LOADING
CDL3800
USE TRIBOL GREASE (1322 523 78101)
Be careful when lubricating the parts.
For parts and points to apply grease, refer to the drawing figure
4-10.
Avoid excess grease.
B. The bearing of the gearwheel. Grease on upper part of
cylindrical surface.
o
C. Guiding and 2 guiding pins of the rack on the chassis.
o
D. The guiding of the rackspring.*
E. The 2 guiding.profiles of the rack*
F. 10 guiding surface of the chassis on the tray.*
G. The guiding pin on the rack.*
H. On top (in the middle) of the 4 rubbers.*
I. Guiding on the chassis of the tray. Grease around the 5
guiding pins.*
J. The guiding ribs of the chassis for guiding the CDM-nose.*
o
=Lubricated with dosing apparatus.
*=Lubricated with a brush.
Figure 4-10
4.6.2 Lubricating instructions for CDM3800
USE TRIBOL GREASE (1322 523 78101)
The third bearing axle (item 3, 4822 535 10591) on the
upperside of the axle 2x
The third bearing axle on the bottomside of the axle 2x
The OPU bearing with Mobil Oil SHC 629 (see next paragraph)
The top of the worm
The pressed in axle on the top
The gear rack assy (item 13, 4822 522 10742) on the teeth2x
Between worm and combiwheel (item 12, 4822 528 11297)2x
Figure 4-11
Oiling the centrifuged bearings
USE MOBIL OIL SHC 629 (3104 129 52260)
Use dose apparatus
Place the needle against the bearing and axle.
Dose one (1) drop of oil there where the bearing touches the
axle (see drawing figure 4-12)
Repeat this handling for the second bearing
Move the OPU for a few times up and down.
REMARKS:
Do not use the oil on the axle alone. Always place the oil drop
against the bearing.
No oil on top of the OPU.
Figure 4-12
CL06532018_009.eps
210200
CL06532018_010.eps
020300
2x 1 DROP OF OIL
CL06532018_011.eps
020300

Other manuals for Philips CDR570

Related product manuals