EasyManua.ls Logo

Philips CED1700 - Mount in the dashboard

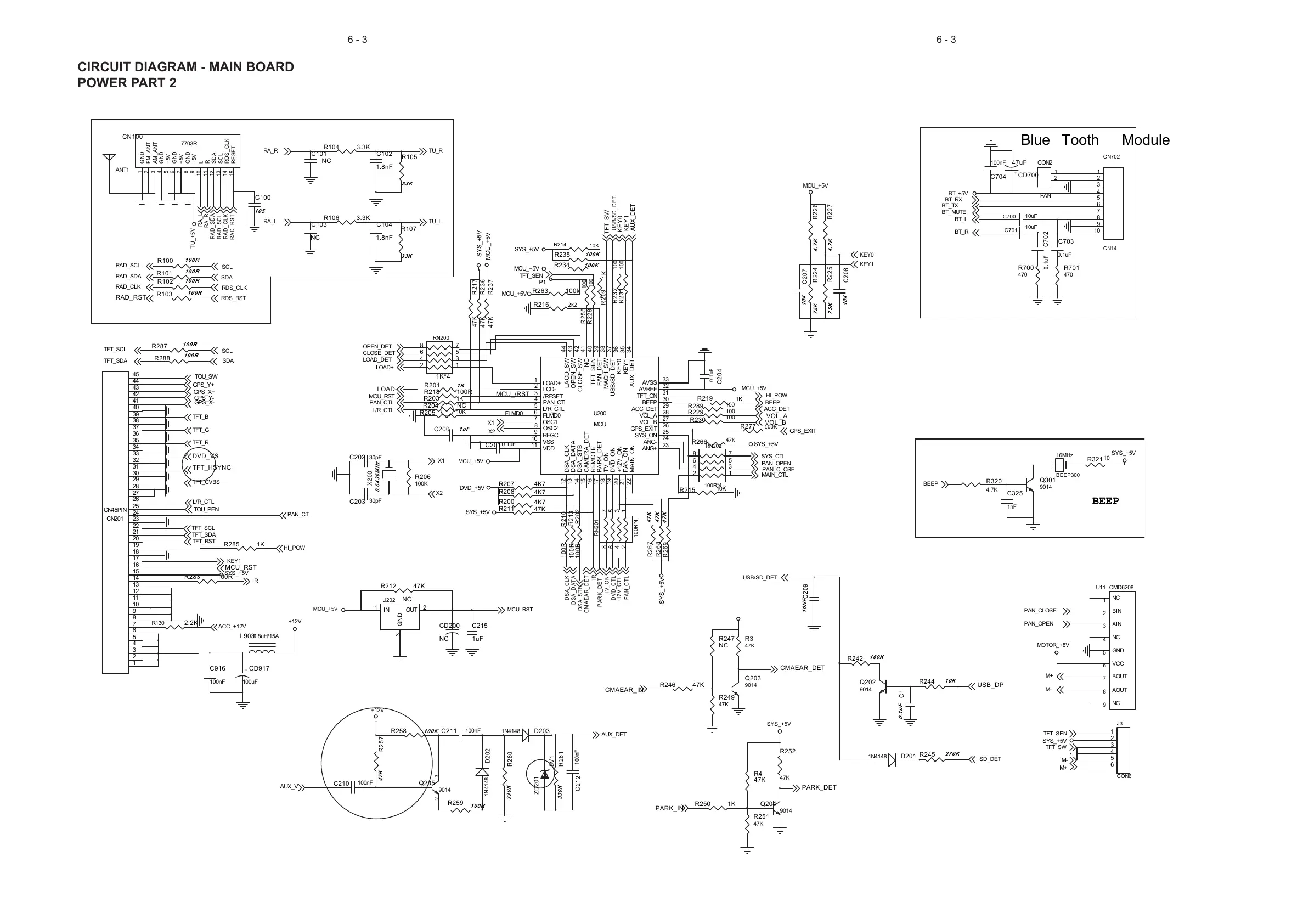
Philips CED1700
18 pages
Print Icon
To Next Page IconTo Next Page
To Next Page IconTo Next Page
To Previous Page IconTo Previous Page
To Previous Page IconTo Previous Page
Loading...