EasyManua.ls Logo

Philips CEM200/55 - Page 13

Philips CEM200/55
26 pages
Print Icon
To Next Page IconTo Next Page
To Next Page IconTo Next Page
To Previous Page IconTo Previous Page
To Previous Page IconTo Previous Page
Loading...
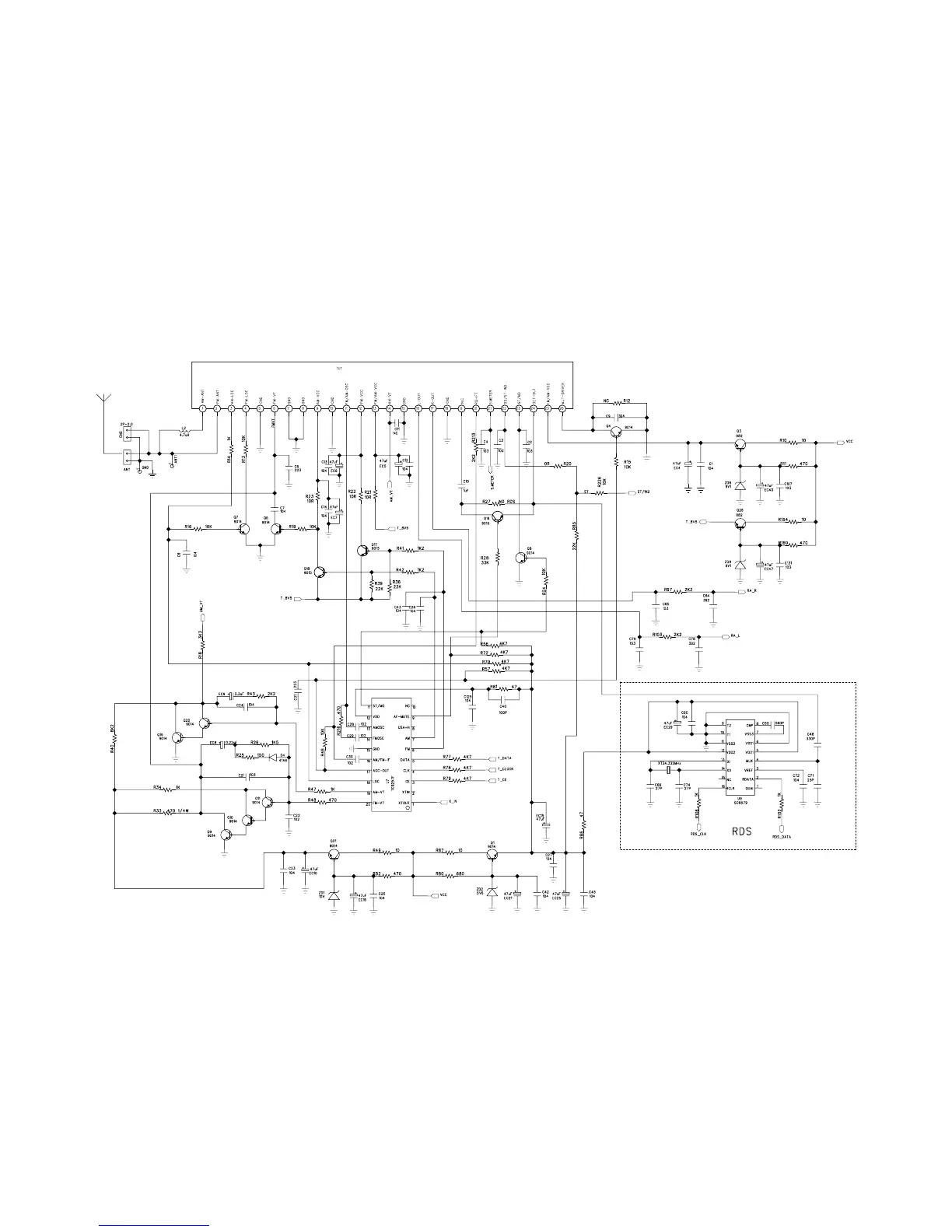
CIRCUIT DIAGARM - MAIN BOARD
RADIO PART
5 - 3 5 - 3

Related product manuals