EasyManua.ls Logo

Philips DVDR985 - Page 63

Philips DVDR985
119 pages
Print Icon
To Next Page IconTo Next Page
To Next Page IconTo Next Page
To Previous Page IconTo Previous Page
To Previous Page IconTo Previous Page
Loading...
56
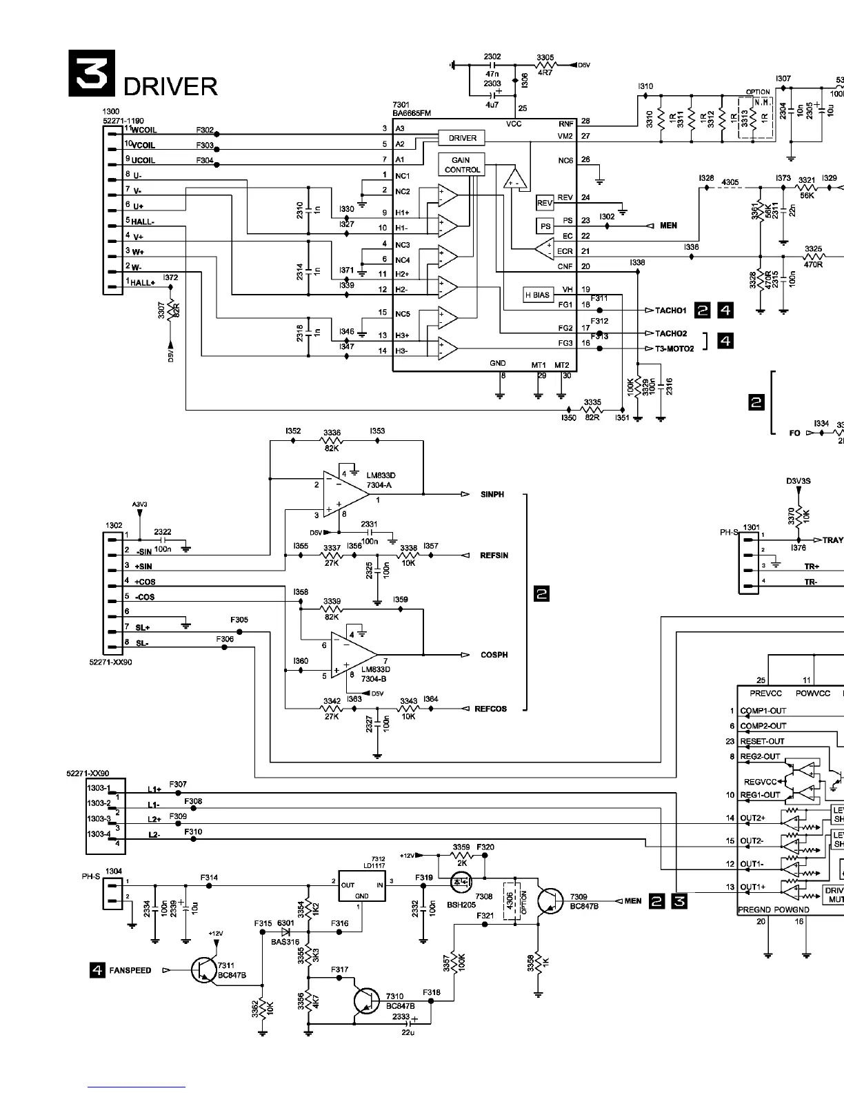
Figure 32 - Motor Drivers