EasyManua.ls Logo

Philips DVDR985 - Page 84

Philips DVDR985
119 pages
Print Icon
To Next Page IconTo Next Page
To Next Page IconTo Next Page
To Previous Page IconTo Previous Page
To Previous Page IconTo Previous Page
Loading...
Analog Processor Board
The Analog Board controls all analog input/out-
put selection, and routing. It houses the System
Control Microcomputer. The System Control
Microcomputer controls the routing and other
functions on the board. One of its other main
functions is to control power and initialization of
the unit. It implements Keyboard instructions.
The board has the Optical Audio Out and the
Coax Digital Audio Output circuits. It controls the
Tuner. The Audio D/A and A/D conversion is per-
formed on this Board. The RGB to YUV conver-
sion is also performed on this board. It contains
the Fan Control circuit and houses the first Reset
circuit for the System Control Microcomputer.
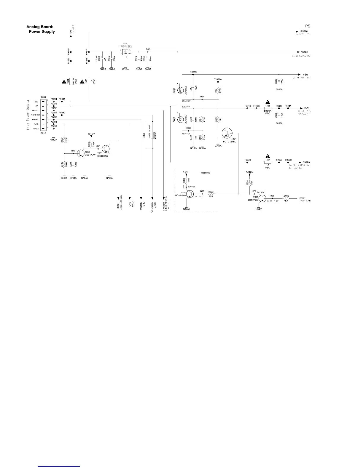
Power Supply Circuit
The Microcomputer controls the 5V Switched
and 8V Switched supplies via the ISTBY line.
Refer to Figure 42. The ISTBY line goes Low as
one of the step to turn On power. When the
ISTBY line goes Low, 7329 turns Off. R3336
turns On 7324. This switches 7321 and 7323
On.
There is also a power fail circuit, which is neces-
sary to mute AUDIO when IPFAIL is low. If the
FLYB line is interrupted, 7330 turns Off. R3338
turns On 7331, sending a Low to the D/A
Converter to mute the Audio.
Microcomputer
The Microcomputer, IC7803, is a 16 bit proces-
sor with internal ROM and 8kB RAM. Refer to
Figures 41 and 42. The System Clock operates
at 20MHz. It uses I
2
C interface to communicate
with the other Microcomputers in the unit. The
clock rate is approximately 95kHz. The Reset
Pin is high during normal operation. It also
requires a composite sync input. The microcom-
puter uses non-volatile EEPROM, 7815. The
EEPROM stores data specific to the device,
such as the AFC-reference value, clock-correc-
tion-factor, etc.
Figure 43 - Analog Board Power circuit
75