EasyManua.ls Logo

Philips DVP3880KX - Page 29

Philips DVP3880KX
44 pages
Print Icon
To Next Page IconTo Next Page
To Next Page IconTo Next Page
To Previous Page IconTo Previous Page
To Previous Page IconTo Previous Page
Loading...
1
1
2
2
3
3
4
4
5
5
A A
B B
C C
D D
E E
REF
12VA
MIC_OUT
USB_DP
USB_DN
12VA
12V
MICMIC_OUT
REF
MGND
USB_DN
VCC
MGND
USB_DP
SGND
12V 12VA
SGND
AGNDMGND
MGND AGND
MGND SGND
VCC
47-USB003-XX2
USB
P600
USB
47-USB003-XX2
USB
P600
USB
1
2
3
4
5
6
+
-
U200A
NJM4558
+
-
U200A
NJM4558
3
2
1
8 4
R208
1K
R208
1K
R207 100KR207 100K
C203
1000p
C203
1000p
R203
22K
R203
22K
C211
2.2uF
C211
2.2uF
L201
500Z
L201
500Z
CE200
22uF
CE200
22uF
8PIN/2.0mm
XP601
8PIN/2.0mm
XP601
1
2
3
4
5
6
7
R200
10K
R200
10K
C205 47pC205 47p
C204
100p
C204
100p
R206
20K
R206
20K
L202
500Z
L202
500Z
L200
500Z
L200
500Z
+
-
U200B
NJM4558
+
-
U200B
NJM4558
5
6
7
84
R205 180KR205 180K
C209
2.2uF
C209
2.2uF
C206 47pC206 47p
R211
100K
R211
100K
47-EAR024-XX0
KARAOKE
P601
KARAOKE INPUT
47-EAR024-XX0
KARAOKE
P601
KARAOKE INPUT
1
2
3
C210
2.2uF
C210
2.2uF
C208
100p
C208
100p
R209
680
R209
680
R210
150
R210
150
R201
5.6K
R201
5.6K
C201
0.1u
C201
0.1u
CE201
22uF
CE201
22uF
R202
22K
R202
22K
6-2 6-2
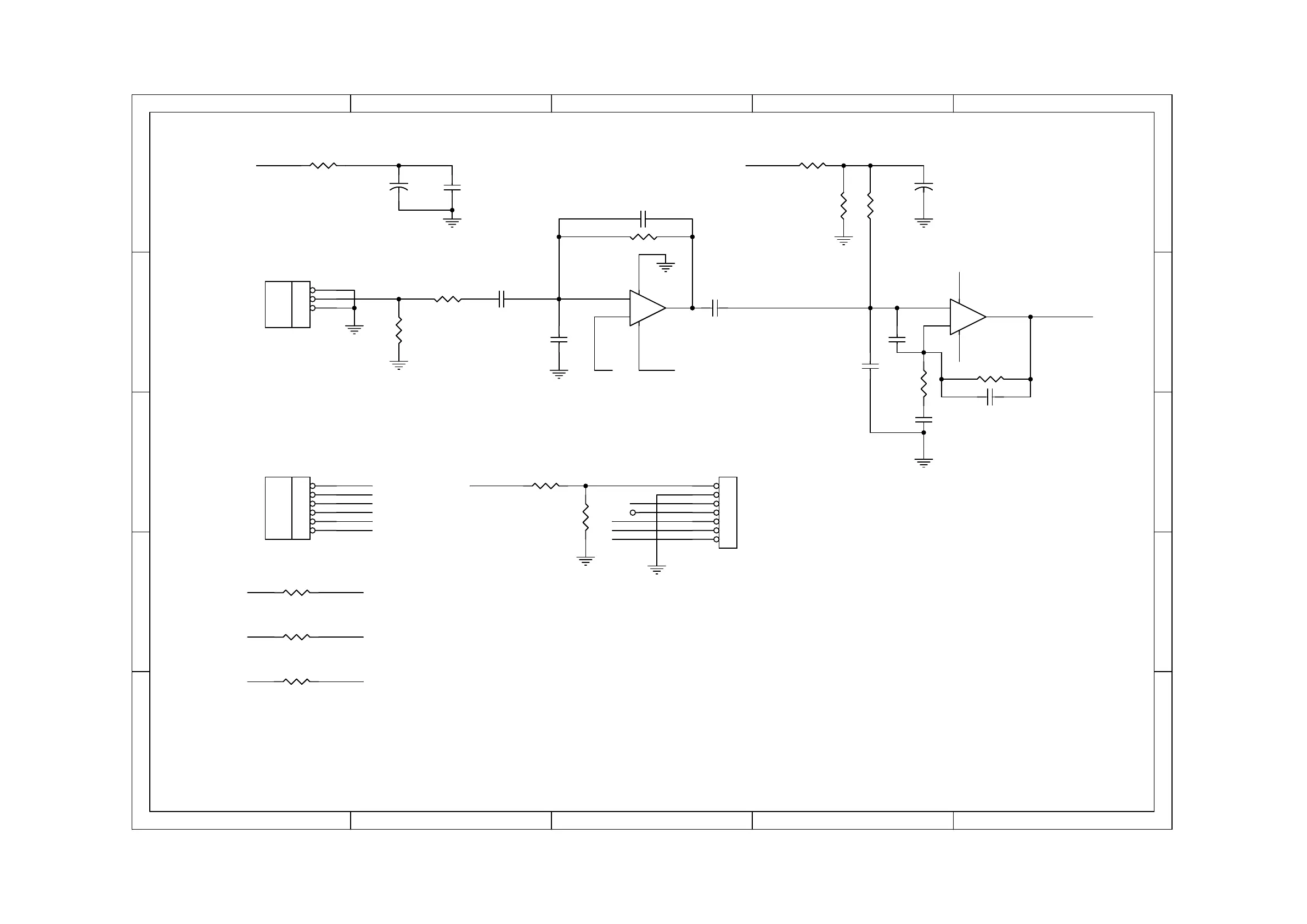
Karaoke and USB board Circuit Diagram:

Related product manuals