EasyManua.ls Logo

Philips F 7215 - Page 8

Philips F 7215
10 pages
Print Icon
To Next Page IconTo Next Page
To Next Page IconTo Next Page
To Previous Page IconTo Previous Page
To Previous Page IconTo Previous Page
Loading...
nsator
iden.
SE
erator
jonen,
ke-
1s
pa
tiger
V
2ksi
)
kQ2
tso
uvat
tasa-
en
an,
IM|
F404
T1404
IC
426a
0437,438
1S427.D439.435.436.434.1S428
726
727
728
526
528
530
529
531
532
735
TS
433
TS
431,430
1C426b
D445---
446
D440.441
M
TS429
734
733
_
729
730
533
541
450
542
451
554
555
535
534
536
530
944
452
550---553
455
543
456
549
537
548
547
545
546
D434
Sy
BA317
R532
AF
CA
tv
a1
22k
7§028
Shs
727°
iN
ee
~
oo|
R531
O
+2
DIRECT
CONTROL
COMMANDE
DIRECTE
i
ae
eel
HX
Flrsco
Sad
per
N/
533
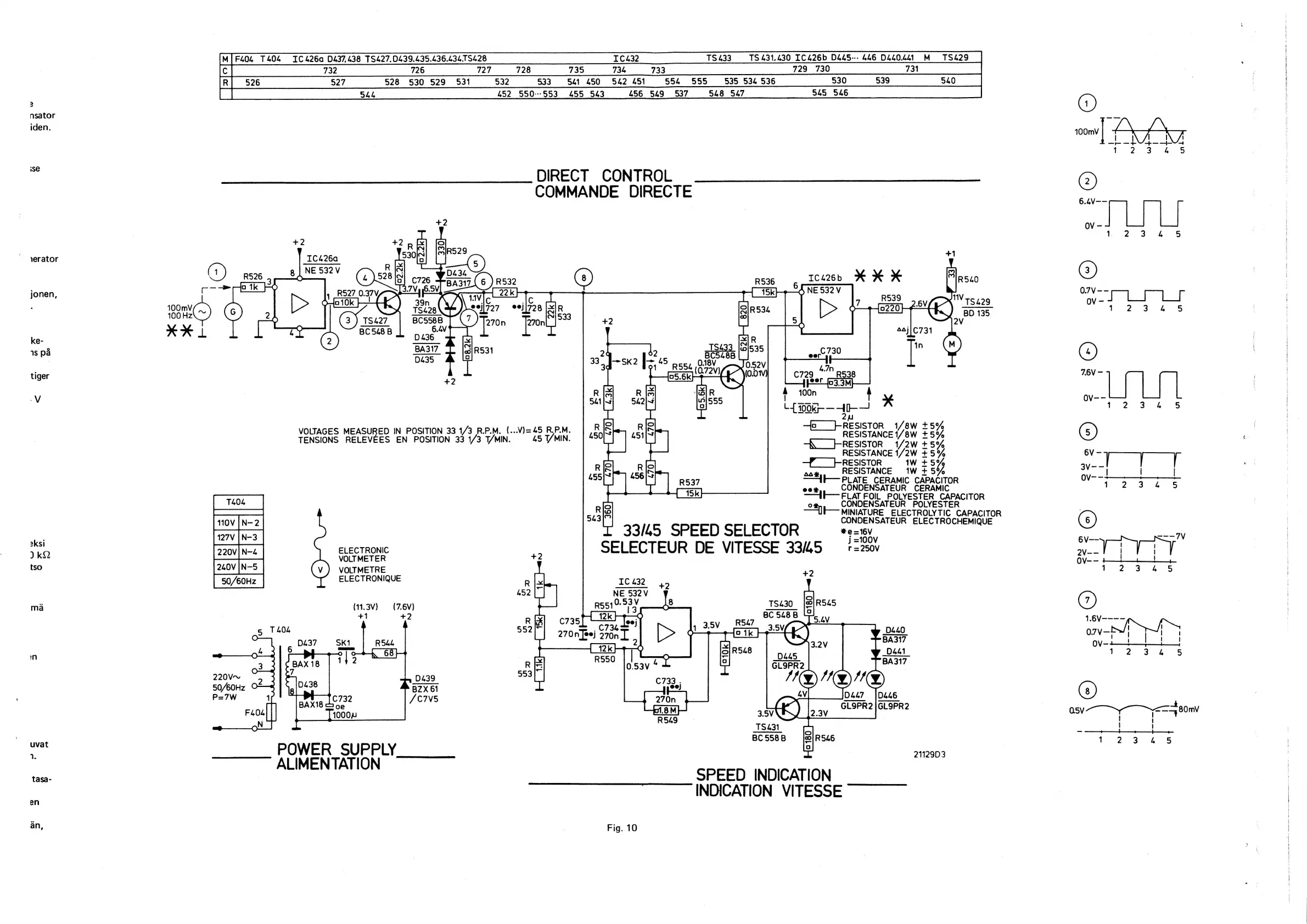
VOLTAGES
MEASURED
IN
POSITION
33
1/3
R.P.M.
(...V)=45
RPM.
TENSIONS
RELEVEES
EN
POSITION
33
1/3
T/MIN.
ELECTRONIC
VOLT
METER
VOLTMETRE
ELECTRONIQUE
(11.3V)
(7.6V)
220V~
50/60Hz
P=7W
POWER_SUPPLY
~
ALIMENTATION
45
T/MIN.
+2
R
x
452
‘J
Rf]
735
552|"
R
ix
SF
270n
Jee}
270n
_L
|
ENE
532V
R539
11V
7
BVfp-\
_TS429
5
>
|
iQ)
0
135
t
aaj|C731
in
oor’
730
|
0729
*”"
ps3g
eer
03.3M
pee
v
LI00K-
A
rv)
—(o
_}
RESISTOR
1/8w
+5%
RESISTANCE
1/8W
+5%
RESISTOR
1/2W
+5%
RESISTANCE
1/2W
+5%
RESISTOR
Iw
+5°
RESISTANCE
1W+5%
“**1I—
PLATE
CERAMIC
CAPACITOR
CONDENSATEUR
CERAMIC
+2
[15k]
*°*11—
FLAT
FOIL.
POLYESTER
CAPACITOR
Rie
om,
_
CONDENSATEUR
POLYESTER
sie
TENSE
EOE
Eres
PARACITOR
33/45
SPEED
SELECTOR
——*e-sv
SELECTEUR
DE
VITESSE
33/45
~—r=250v
+2
TCU32)
x6
NE
532V
=
pss10-93¥
18
TS430
Blrsis
42k
BC
548B
ek
eoj|
1
3.5V
RSL7
15V/_>
9.4V
t
“Uy
°
eirsce
R550
©
=
L
cM]
4)
R549
ae
TS431
=
BC
558B
R546
2)
2112903
SPEED
INDICATION
INDICATION
VITESSE
Fig.
10
OV--
1
3V--

Related product manuals