EasyManua.ls Logo

Philips FC8144/01 - Page 6

Philips FC8144/01
7 pages
Print Icon
To Next Page IconTo Next Page
To Next Page IconTo Next Page
To Previous Page IconTo Previous Page
To Previous Page IconTo Previous Page
Loading...
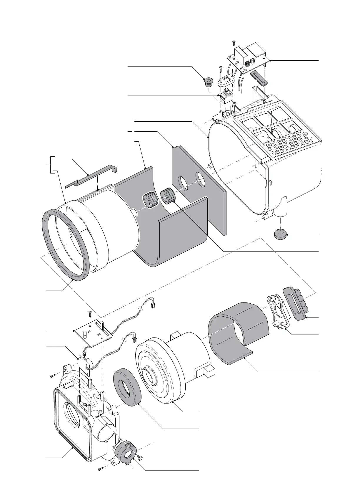
FC8144/01
EXPLODED VIEW
H
2x
F
2x
G
4x
K
2x
J
39
41
42
34
30
27
29
31
26
33
28
32
35
36
38
37
40
6-7

Related product manuals