EasyManua.ls Logo

Philips FC9728/01 - Page 11

Philips FC9728/01
19 pages
Print Icon
To Next Page IconTo Next Page
To Next Page IconTo Next Page
To Previous Page IconTo Previous Page
To Previous Page IconTo Previous Page
Loading...
FC9728/01 /61 /71
11-19
+5V
+5V
+5V
+5V
+5V
+5V+5V
M
MOV1
10D471K
C1
0.68µF
275V
C3
470µF
16V
Mains Voltage
220-240V
50/60Hz
AC1
R35
10M
R34
10M
AC2
F1
15A/
250VAC
ESD
JD1
R1
330k
R7
20k
R2
330k
TR1
BTA16/600B
ZD2
5.1V
1W
D1
1N4007
Motor
R12
10k
R26
51R
J1
4
3
2
1
J2
3
4
2
1
IO_Motor
INT_Sync
R42
1M
R41
1M
D2
1N4007
C8
0.68µF
400V
R3
330k
R4
330k
R5
100R
2W
U1
MC96F8208SM-SOP16
P30/TXD/(SDA)
P02/AN2/AVREF/EINT0
9
P36/XIN
15
P00/AN0/DSDA
11
P37/XOUT
14
3IO_LED5
P12/AN9/EINT11/T1O/PWM1O
8
R44
300R
R25
300R
LED5
W
P13/AN10/EINT12/T2O/PWM2O
7IO_LED4
R43
300R
R24
300R
LED4
W
P14/AN11/MISO
6IO_LED3
R39
620R
LED3
W
P15/AN12/MOSI
5IO_LED2
R38
620R
LED2
W
P16/AN13/SCK
4IO_LED1
VDD
12
VSS
13
R37
620R
LED1
W
C5
0.1µF
50V
EC1
100µF
10V
R17
10k
R32
Key1
1k
P35/EINT10/T0O/PWM0O
16IO_Key1
R18
10k
R33
1k
P32/RESETB
1IO_Key2
C4
470p
R28
1k
R15
100R
R22
100R
P01/AN1/DSCL
10
P31/RXD/(SCL)
2
INT_Sync
IO_Motor
Key2
SW1
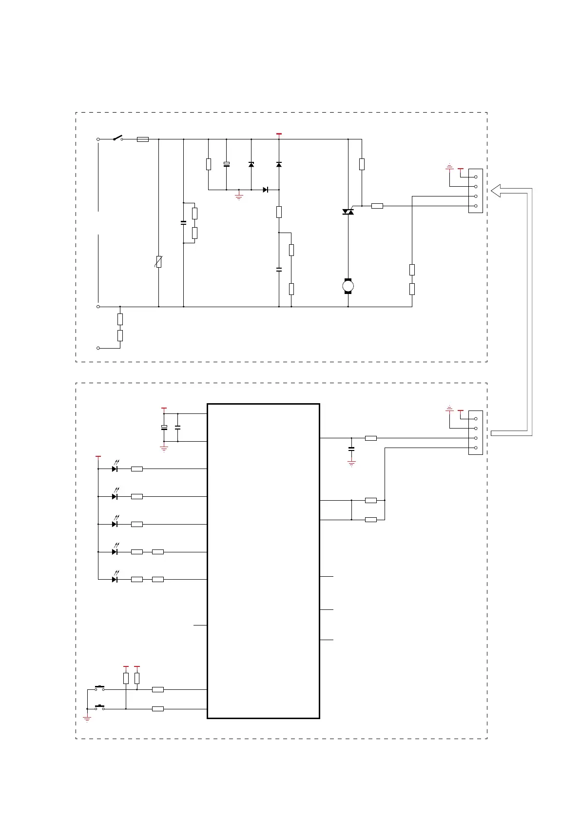
Electrical diagram

Related product manuals