EasyManua.ls Logo

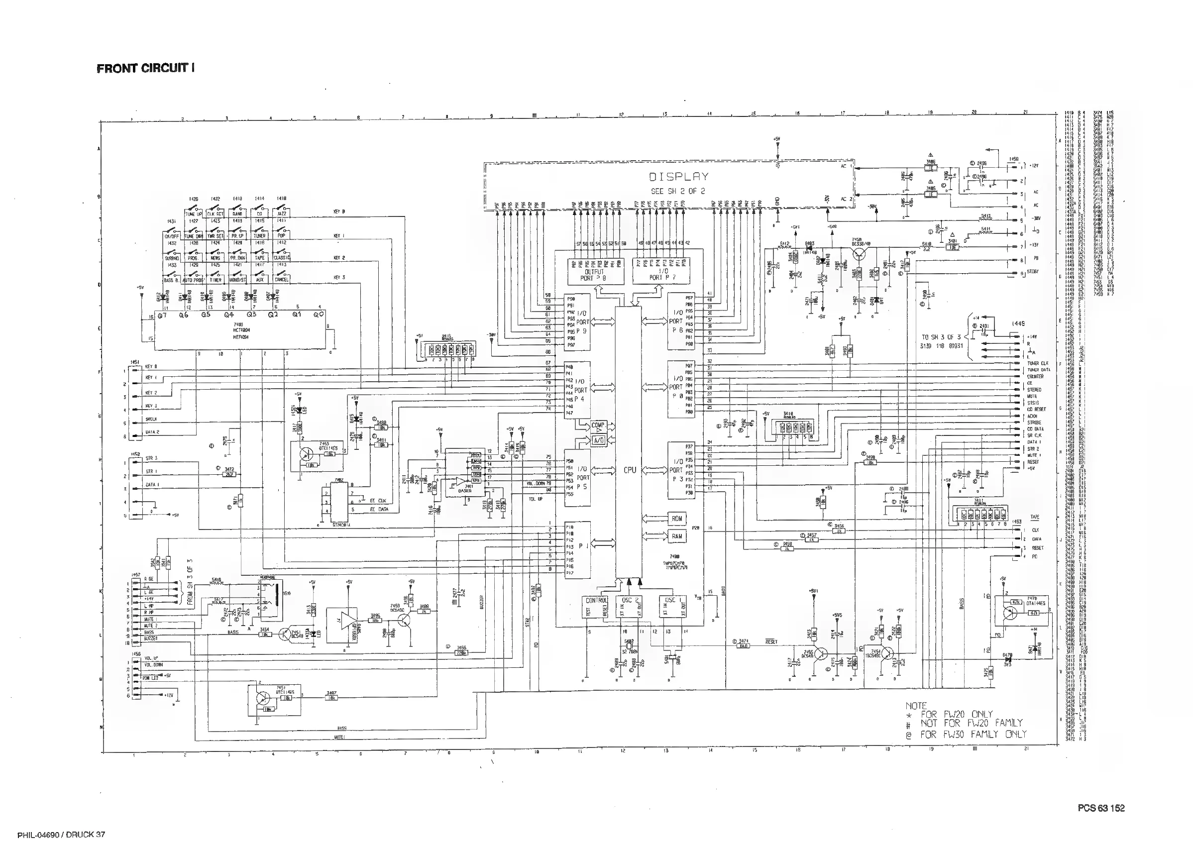
Philips FW41/20 - Front Circuit

Philips FW41/20
60 pages
Print Icon
To Next Page IconTo Next Page
To Next Page IconTo Next Page
To Previous Page IconTo Previous Page
To Previous Page IconTo Previous Page
Loading...
FRONT
CIRCUIT
|
agrenerenennn—ouenaggrmmowernnnnngaimn
aan
i
an
a=
fn
te
I
d
ee
eee
SRR
Rea
aaeUsaanaasaeeseeesazzeete
ee
eeS
meses
ooecocmocceccnocees
SaaS
RRS
TTIDIGIIGT.
.
caooss
~~
SSSI
III
IIIa
aaa
ae
sas
saree
sete
eS
iseak
ee
sissser—
pcan
Aland
=
wT
ON
PORE
NIT
RR
RNSUES
STS
Se
SETS
SESS
eee
e
eee
TT
RTTS
nota
SESSERSISDSSESSERS
TES:
BY
WON
Ne
BURRS
ANT
ARSRRS
IEA
BOW
VITOR
DURANT
ARERR
peetee
teri
aie
Sie
re
est
estte
ett
eeteh
est
sitaa
sees
tesserae
ssieeat
cries
eee
tet
eee
cee
eee
eee
Lee
pease
td
.
55
eg
bE
J
5.431
ks
BBS
fie
ba
rE
a
oJ
L
exe
Fan)
a
Lg
aes
=
Hani
cap
ge
gis
7
FE
te!
a
oY
car
ZgE
a
Zo
>
[38
Ca
<
ol,
CH
og
i
iy
lo
SV
=
>
%
°
kd
85
3
i
2
bia
|
a>
ake
.
Ba
88
&
5
wee
al
aale
Zk
xe
@
oT
gees
_
aheg
él
ol
|
a
ca
e
a
é
5
‘sd
af
rd
e
34
5
=.
g
mF
e
a
i
al]
e
8
|
sie
-—.
5
}
lafeolele
fete
*
2
|
L
r
ow
[
[
[
g
3
ie
ioe
RES
a2
RSRERR
ES
:
ot
ene
ene
ems
=ll=
2
Tre}
=
PO.
yl
Me
See
See
$e2
B\|2]
eee
ie
|
eh
eae
za
&
7
8
2
ie
4
y
eer
Pe
wt
|
wi
wa
KD]
_
Iau
=
eh]
|
fe
H
a
=
os
:
ua
Ly
eK
y
>
gil
wie’
&
12
.
Meee
4
Baas
TH
|
7"
heed
ere
=
ie)
V6
kta
@
|
=
wo
ae
gi
|
we
wee
fo
Eales
2
i
|
si
3
Spa
=
Ea
=
[ar
=
ry
7
I
a
sia
Sea
esr
Ly
Uo
Be
-
‘i
ay
ae
Fd
esopeees
saee
eeunzyer
;
SetReSES)
lezzgever
Reggae
SSSoe
E25
|
|
i
Fetal
s
Tek
lee
|
sd
s
i
EB
Gre
|
a
iF
|
Fe
H
Pa
|
a
al
!
7
ae
=
fe
ae
a
le
ar
@
7
a
look
°
:
i
s]
ak
al
3
1
¥
:
ag
eo
ee
|
oo.
4
cechuata
F
Dal
:
:
|
=
SE
See
NSE
VE
nee
3
=
Vale
Vale
ve
Vl
|
.
;
=
Sele
VEE
NER
NE
gly
2
Wale
Vale
Vals
EI
fi
|
J
=
Ye
3
go
8
cea
7
ao
‘Ss
3
:
Also
fe
el
-]
fel
sl
ale)
ls
Lge
lel
le]
sla)
17
a
LT
Oe
Hel
a
a]
gl
8
c
Fa
ebblleeeel
3
(B|
||
A
:
g
i
1
al
ti
renee)
1)
eit)
PCS
63
152
cry
1
& 6
7 B
Ey
a
@
PHIL-04690
/
DRUCK
37