EasyManua.ls Logo

Philips FW41/20 - Page 52

Philips FW41/20
60 pages
Print Icon
To Next Page IconTo Next Page
To Next Page IconTo Next Page
To Previous Page IconTo Previous Page
To Previous Page IconTo Previous Page
Loading...
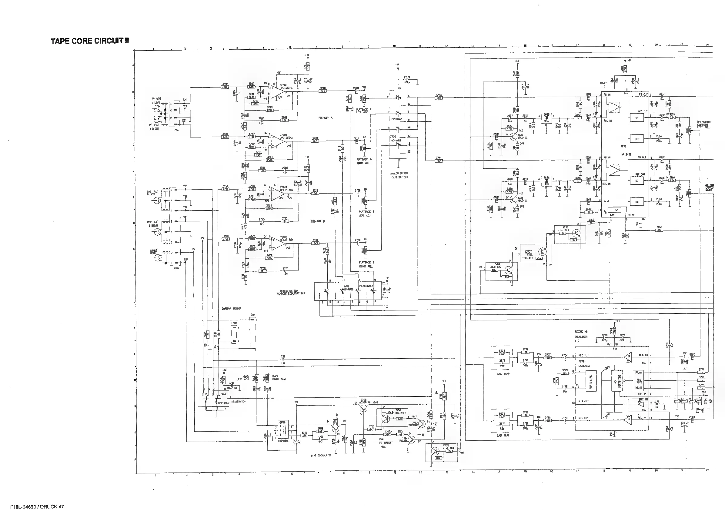
TAPE
CORE
CIRCUIT
I
PHIL-04690
/
DRUCK
47
|
A
» 2 A A
»
A
8
“a
x
“a
7
a
:
a
3
4
a
ww
S78
ze
iM
z
re
A
ce
s
PB
HEAD
8|
lo
3243
268
3|
PBN
We.
PB
OUT
|
6
257
-
:
~
a
:
fs
4
ol
pls
E
&
g
8
sb
fy
od
galled
:
t
ay
r=]
7
a
es
ewe
ae
ls
ak
re
ap
ace
Le
Le
ge
i
A
=
a
&
&
&
a
iar
+
w
&
Be
&
gee
ah
ms
|i
ap
|
Spe
ae
A
als
&
rev
i
Le
i
sp?
ea
z.
py
ain
q
mie
ws
a“
|
—B4
i.
|
wats
&
we
Be,
14]
PBN
Pe
out
[it
ae
cee
LI
|
i
gS
&
“ANALOG
SAITCH
ba
al
air
‘ws
so
a
=
oF:
so
ay
tal
[|
ee
ig
i
&
a
Ein
iP
pet
ies
ea
1
$a
gis
as
gle
Ad
Hes
ae
r
zs
T
&
=
for
<5,
EC]
fie
ap
tl
vat
be
us
1
*
A
if
ae
TT
Bis
xe
om
i
REC
cosy
oP
10
rene
8
a
tte
af
me
.
Bou
we
a
gis
2
7
weal
Tw
Ef
A
E
“4
a
_
L
cclnte
cab
IS
10>
eee
=
CRG
cue
sesot
in
1708
,
a
=,
|
od
ly
rece
g
ae
oe
;
auiser
z
8+
a
|
te
ay
[ah
=
‘nw
Ls
a!
|
ves
ad
ts
re
ag_a|
cor
6|_se.ml
®
ap
—!
fle
am
ut
£
%
|
aso
wets
5
+
35.
6
inl
7
ans
TRE
ey
epic
in
a
2
zn
g
.
ams
ule
|
&
if
wx
or
ebe
ap
_s|
secon
le
a,
&
ge
BIAS
OsciLLATOR
a