EasyManua.ls Logo

Philips FWM185 - CIRCUIT DIAGRAM - CASSETTE BOARD

Philips FWM185
26 pages
Print Icon
To Next Page IconTo Next Page
To Next Page IconTo Next Page
To Previous Page IconTo Previous Page
To Previous Page IconTo Previous Page
Loading...
4-2
4-2
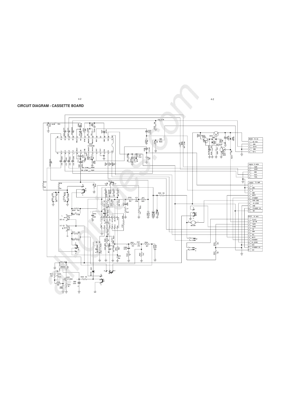
CIRCUIT DIAGRAM - CASSETTE BOARD
All manuals and user guides at all-guides.com
all-guides.com

Other manuals for Philips FWM185

Related product manuals