EasyManua.ls Logo

Philips FWM462 - Block Diagram Overview

Philips FWM462
31 pages
Print Icon
To Next Page IconTo Next Page
To Next Page IconTo Next Page
To Previous Page IconTo Previous Page
To Previous Page IconTo Previous Page
Loading...
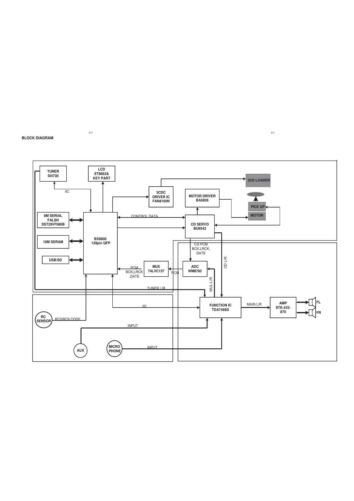
BLOCK DIAGRAM
3-1
3-1
CD SERVO
BU9543
BX8800
128pin QFP
INPUT
RC5/RC6 CODE
LCD
ET8862&
KEY PART
MAIN L/R
INPUT
RC
SENSOR
16M SDRAM
8M SERIAL
FALSH
SST29VF080B
PICK UP
MOTOR
MOTOR
ADC
WM8782
3CDC
DRIVER IC
FAN8100N
MUX
74LVC157
AUX
TUNER
SI4730
MICRO
PHONE
USB/SD
MOTOR DRIVER
BA5826
IIC
MUL-L/R
IIC
PCM
BCK,LRCK
,DATE
PCM
CD L/R
TUNER L/R
CONTROL DATA
CD PCM
BCK,LRCK,
DATE
AMP
STK-433-
870
FUNCTION IC
TDA7468D
3CD LOADER
FL
FR
All manuals and user guides at all-guides.com

Related product manuals