EasyManua.ls Logo

Philips FWP3200D/12 - Page 28

Philips FWP3200D/12
53 pages
Print Icon
To Next Page IconTo Next Page
To Next Page IconTo Next Page
To Previous Page IconTo Previous Page
To Previous Page IconTo Previous Page
Loading...
7 - 3 7 - 3
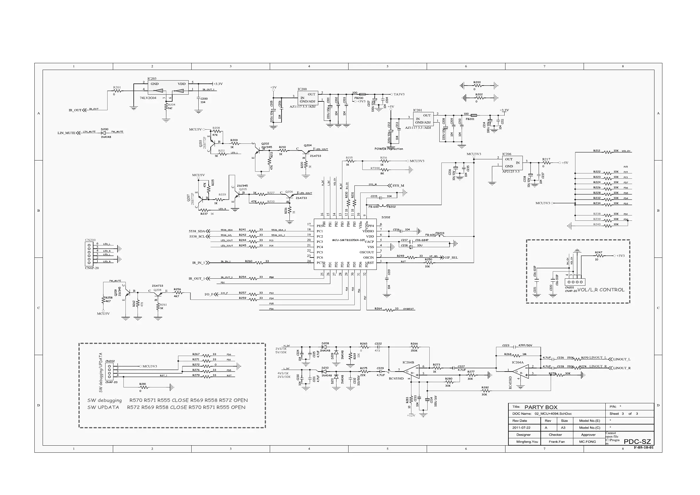
Circuit Diagram - Part 2
jomi

Related product manuals