EasyManua.ls Logo

Philips FWP3200D/12 - Page 42

Philips FWP3200D/12
53 pages
Print Icon
To Next Page IconTo Next Page
To Next Page IconTo Next Page
To Previous Page IconTo Previous Page
To Previous Page IconTo Previous Page
Loading...
 -  -
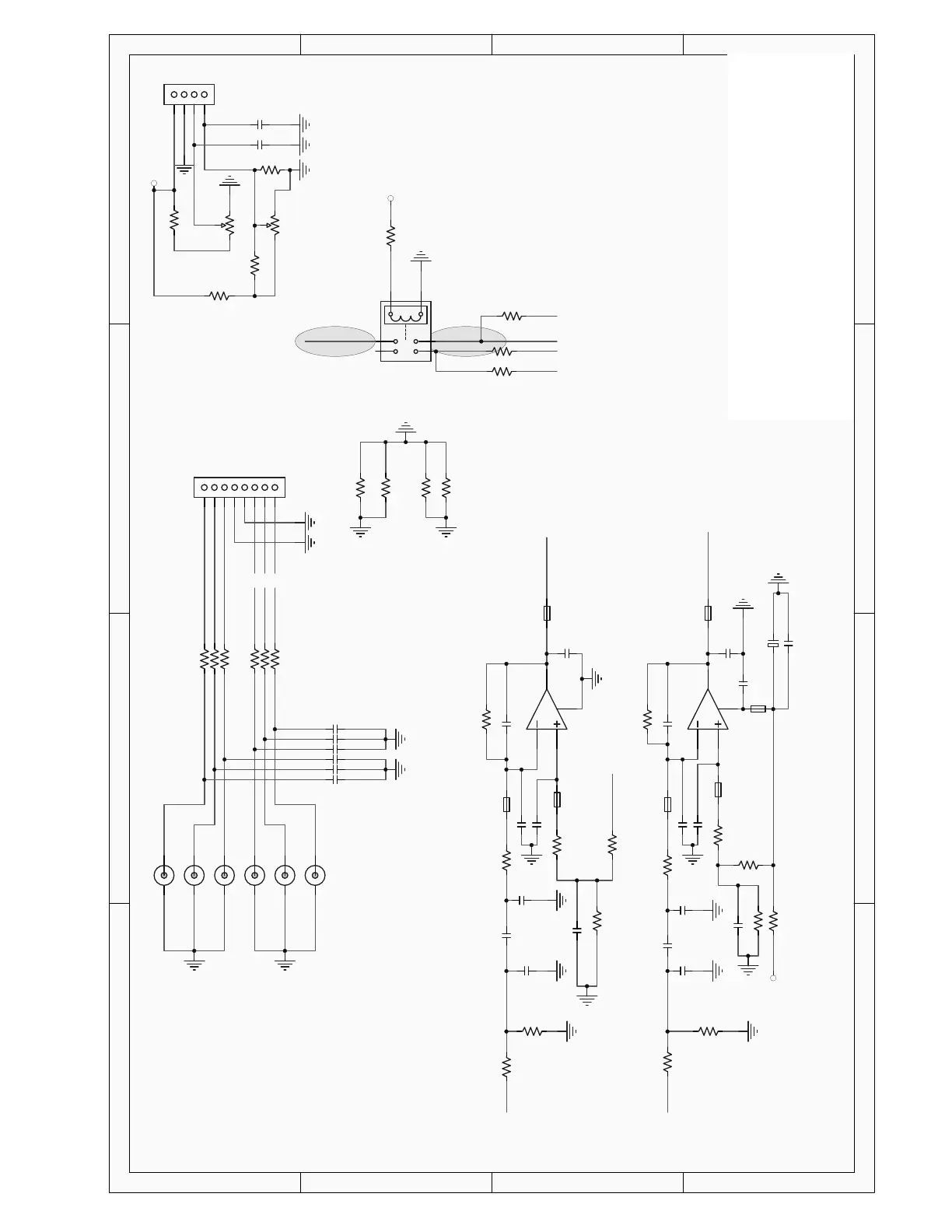
CIRCUIT DIAGRAM
' '
& &
% %
$ $
3'&6=
$SSURYHU&KHFNHU'HVLJQHU
5HY'DWH 5HY

6KHHWRI
31
6L]H
$
7LWOH
0RGHO1R(
'2&1DPH SDUW\ER[VLVFK
0RGHO1R&
)
-.
-.5&$&+
95
95.
5%
92/
5%
&13
/,1287B/
/,1287B5
/B,1
5B,1
92/&+
5/&+
5
.
9
95
95.
-.-.5&$&+
5 
5 
5 
5 
5 
5 
& 3)9
& 3)9
& 3)9
& 3)9
& 3)9
& 3)9
& 3)9
& 3)9
5
5
5
5
,5B,1
,5B287
5
.
5
.
5
.
5(
6:5(/$<
,5B287
,5B,1
9
5

5
5
,5B,1$
,5B,1$ ,5B,1$
5
,5B,1
5B,1$
/B,1$
2
%
,&$
5&'
2
%
,&%
5&'
&
9
& 3)9
&
.
& .
&3)9
)% *+]
)%
*+]
)%
*+]
& 3)
&
3)
&
3)
& 3)9
&
.
& .
&

&3)9
)% *+]
)%
*+]
)%
*+]
)%
*+]
& 3)
&
3)
&
3)
&
3)
9&&23
9&&23
5
.
5
.
&
9
5B,1$
/B,1$
5B,1
/B,1
9
5
.
5
.
5
.
5
.
5
.
5
.
&8)
&8)
&
9
&
9
& 8)9
& 
5
.
5
.
jomi