EasyManua.ls Logo

Philips GC9620 - Wiring Diagram

Philips GC9620
25 pages
Print Icon
To Next Page IconTo Next Page
To Next Page IconTo Next Page
To Previous Page IconTo Previous Page
To Previous Page IconTo Previous Page
Loading...
GC  GC

NOPOP
+24V
LIVE
+24V VCC 2.4V
VCC1
LIVE
+24V LIVE
VCC1
VCC
+24V
+24V
2.4V
2.4V
VCC1VCC1
VCC1VCC1
2.4V
VCC2
VCC
VCC
VCC1
VCC1
+24V+24V
VCC2
LIVE
VCC
VCC2
7001
BC846B
3009
10k,5%(MF)
8009
BAS16
4004
ALE7PB24
3010
10k,5%
(0805)
3008
1k,5%
(0805)
7002
BC846B
3014
10k,5%(MF)
8010
BAS16
4005
ALE7PB24
3015
10k,5%
(0805)
3013
1k,5%
(0805)
7006
BC846B
7011
BT168
3031
1k,5%(1206)
3032
10k,5%
(0805)
3001
47R/2W
1001
TEA1721AT/N1D
1003
78L33ACHX
Fusible WW
4001
1.0mH/0.1A
2001
100nF
275V
3028
10D471k
MOV
3045
1M,0.5W
(1206)
3046
1M,0.5W
(Axial)
8001
GF1M
2002
4.7µF
400V
2003
4.7µF
400V
8002
BZG03
C200
8003
BZG03
C200
8006
ES1JL
8004
ES1JL
8007
BGY20J
8013
BAS16
8008
BZX384
B24
8005
BZT52
C2V0S-7-F
4002
1.5mH/0.25A
3002
2k21,1%
(0805)
3004
1.5,1%
(1206)
3003
18k,1%
(0805)
2004
10pF/50V
(0805)
GND
Drain Source
FB VCC
9001
Flex L
9002
Flex N
9004
Boiler N
9017
63756-1
9003
Iron N
76
45
31
2005
100nF/50V
(0805)
2008
100nF/50V
(0805)
2006
10µF
50V
2007
220µF
35V
2009
100µF
35V
2011
100nF/50V
(0805)
2010
220µF
10V
3005
270k,5%
(0805)
3060
0R,5%
(1206)
3007
ADC-REF
1k,5%(1206)
3033
10k,5%
(0805)
3034
20R,1W
(WW)
2021
10nF/50V
(0805)
2022
100nF/50V
(0805)
7008
BC856
3049
1k,5%(MF)
7007
BC846B
3042
1k,5%
(1206)
3041
1k,5%
(1206)
3040
1k(0805)
3039
220R,0.5W(MF)
3037
1k,0.25W
(0805)
3016
1k,0.25W
(0805)
3017
3k6,1%
(0805)
9007
1
Header 2
2
2023
100nF/50V
(1206)
3018
1k,0.25W
(1206)
3019
3k6,1%(0805)
9008
1
Header 2
2
2028
10µF/10V
(1206)
3061
10k,5%
(0805)
9020
1
Header 3
3
2
Header 9
9019
1
2
3
4
5
6
7
8
9
2025
100nF/50V
(1206)
2026
100nF/50V
(0805)
2024
100nF/50V
(1206)
3038
3k6,1%
(1206)
3035
1k(0805)
3036
4k7
(1206)
9016
1
Header 3
3
2
8011
BAS16
8012
BAS16
8016
BAS16
3048
47k,5%(1206)
1
PD7/AD15
21ZCD
PA2/AD2/DAC0
4Boiler-Temp1
PA1/AD1
5Boiler-Temp2
PA4/AD4
2Comms In
PC6
10
PC7
9Water Level
PD2/AD10
26Tank-Empty
PD4/AD12
24Pwr-LED
PA3/AD3/DAC1
3SG-Temp
PC0/SDA
16Iron LED
2013
220pF X1
2012
22pF/50V(0805)
2016
220pF X1
3055
10k
(1206)
2027
100nF
50V
(1206)
3054
10k
(0805)
2029
100nF
50V
(1206)
3050
10k(0805)
PD5/AD13
23Eco-LED
3051
10k(0805)
PA6/AD6
30Decal-LED
3052
10k(0805)
PA5/AD5
31Rinse-LED
PDI/RESET
8PClk
PDI
7PData
3053
10k(0805)
PA7/AD7
29Turbo-LED
3047
10k(0805)
PD0/AD8
28Pwr-Sw
3044
1k(0805)
PD1/AD9
27Eco-Sw
3043
1k(0805)
Header
3x2
9021
1
2
3
4
5
6
3006
10k,5%
(0805)
3059
0R,5%(1206)
GND GND
PC2
14 Boyler Rly
PC1/SCL
15 Buzzer Drv
VCC
17
PC3
13 SG Rly
PD3/AD11
25 Pump-Drv
7005
BC846B
7010
BTA204W
3025
1k,5%(1206)
3026
470R,5%
(0805)
3027
10k,5%
(0805)
3029
100R,1W
(WW)
3030
10R,1W
(WW)
2019
10nF/50V
(0805)
2020
1nF/400V
(X2 Cap)
PD6/AD14
22 Evalve2-Drv
7004
BC846B
7009
BTA204W
3020
1k,5%(1206)
3021
470R,5%
(0805)
3022
10k,5%
(0805)
3023
100R,1W
(WW)
3024
10R,1W
(WW)
2017
10nF/50V
(0805)
2018
1nF/400V
(X2 Cap)
PR0
20
PR1
19
PC5
11
PC4
12
Evalve1-Drv
7003
BC846B
1002
ATMEL-XMEGA16E5
3011
10k,5%(MF)
3012
10k,5%
(0805)
4003
Buzzer
(PKM13EPY4002-B0)
118
1,2,3
1
1
1
1
2
Jumper-6mm
1
9005
Iron L
1
9006
Boiler L
1
9009
Pump N
(Blue wire)
1
9010
Pump L
(Red wire)
1
9011
Pump N
(Blue wire)
1
9013
Pump N
(Blue wire)
1
Jumper-18mm
*
2033
100nF
50V
(1206)
2032
10µF
10V
(1206)
4006
Inductor
10mH
AVCC
32
2015
100nF
50V
(1206)
2014
10µF
10V
(1206)
4007
Inductor
10mH
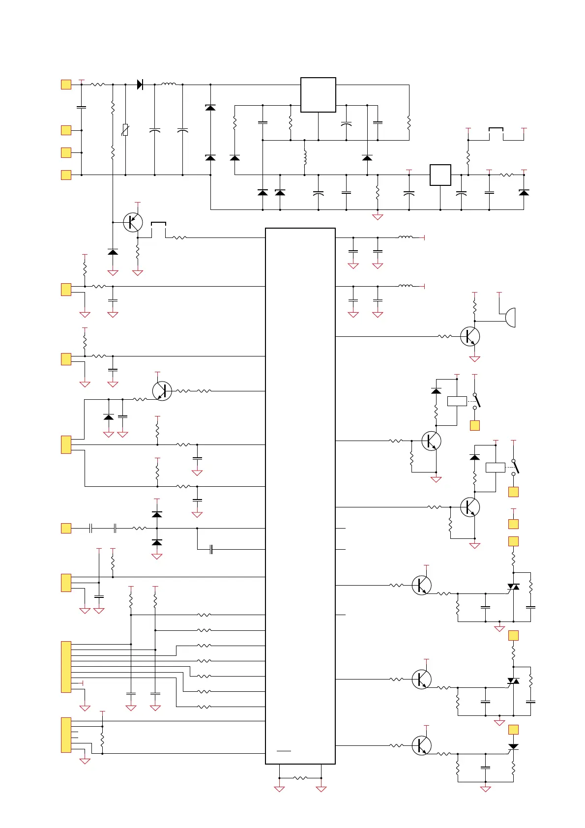
Wiring Diagram

Related product manuals