EasyManua.ls Logo

Philips GF 447 - Philips GF447.pdf; esquema_447.pdf

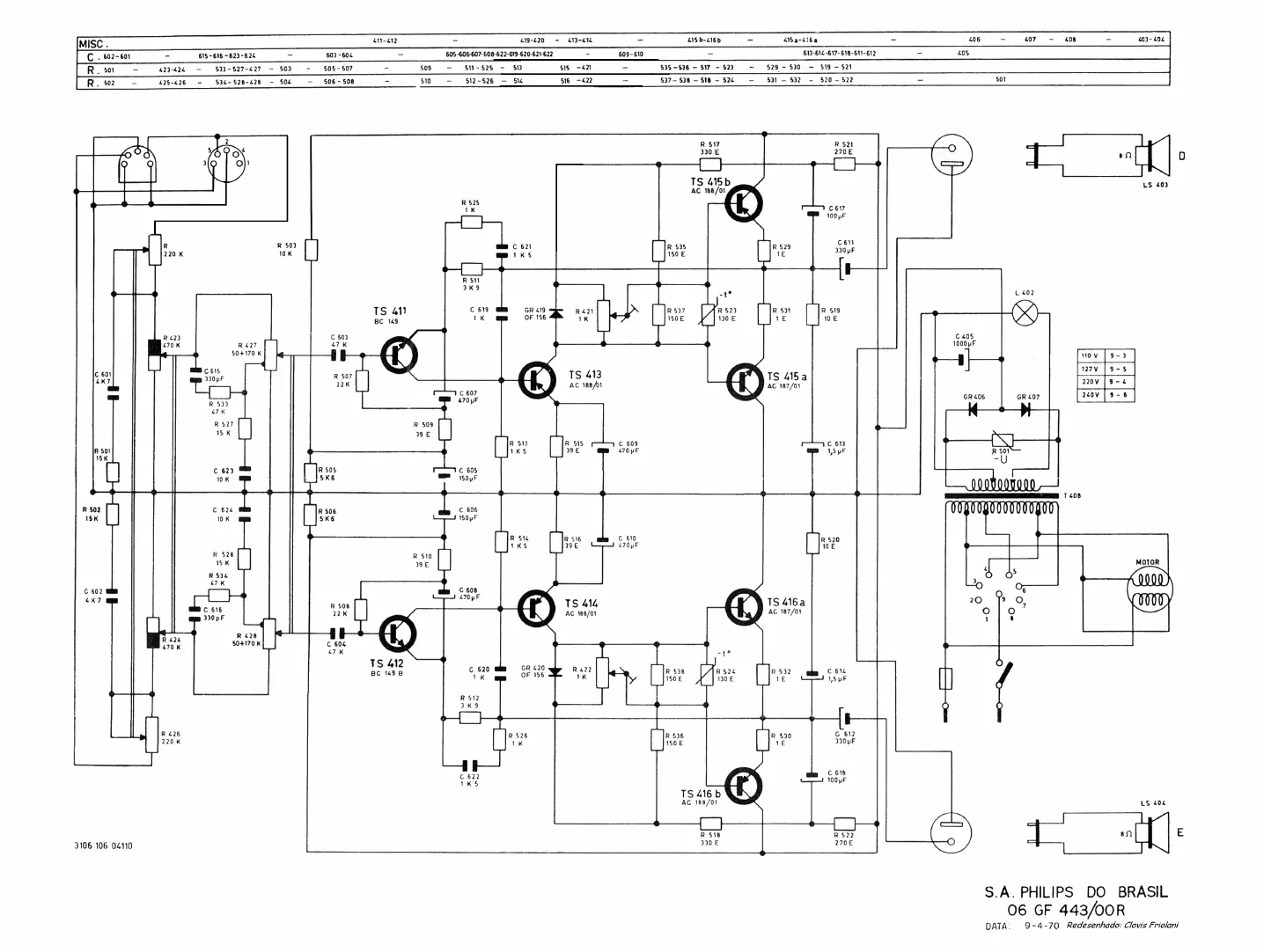
Philips GF 447
Print Icon
To Next Page IconTo Next Page
To Next Page IconTo Next Page
To Previous Page IconTo Previous Page
To Previous Page IconTo Previous Page
Loading...
MSC.
411-412
419-420
-
411-414
-
4150-4161
-
415p-I16a
-
406
-
407
-
406
-
403-000
C
. 602-601
615-616-513-524
-
603-603
-
605006402601-621-619-620
611611
609-610
-
613-614-617-610-611-61/
405
R . sal
-
423-424
-
533 - 527-4.
27
-
503
-
S05-507
-
509
-
511- 525
-
513
515
-421
-
535 -536
- 517
- 523
-
529
- 530
-
519 - SOS
R. SO2
-
415-426
-
534- 511-411
-
504
-
506 -501
510
-
512-526
-
514
516
-422
-
537- 531
- 519
- 524
-
531
- 532
-
520 - 512
-
501
R 0)
10 K
:20 K
C 601
411
R 013
47
527
1$
C 62)
•I•
10 K
427
50,70 N
C
615
330,,
R 417
170 K
1.1
320
5
,
0
0
4
. ,
R
014
470 K
11 426
505170N
R 501
IS K
1-
0
R 502
ISO
C 602
3
67 1••
C 614
10 K NM
O 523
SK
R
534
K
1
C
1
6
16
en
330pF
3106 106 04110
R 517
330 E
`
10,
1
;
C 621
R
516
1)0 F
R 522
170E
R 525
1 K
ISONF
C 606
150
v
;
OR
505
5K6
OR
506
SKI
C 606
470
v
F
C 620 On
GR 410
OF 156
1K
C 619
CR 219
I N
011156
C 603
47 7
R 607
207
3-1
C607
£70
0
F
R 509
19 E
TS 416a
AC 117/01
[
I
C 611
770
3
F
0616
T
3
077F
R 5/6
1
R 521
270 E
C 61
1
330,7F
TS 411
BC 149
TS 412
BC 149 B
R
512
7 X 9
C 612
1 1( 5
III
39 E
R SO6
11
6
C 604
K
o
-;
LS 404
S.A. PHILIPS DO BRASIL
06 GF 443/00R
DATA - 9 - 4 -70
Redesenhodo: Clovis Frioloni
L 402
C
LOS
1000
v
F
110 V
9-
3
127V
9-
S
2007
1
-
GR 306
GO 407
2400 9-
S
6
III
J Q9 (11100a-
1
005

Related product manuals