EasyManua.ls Logo

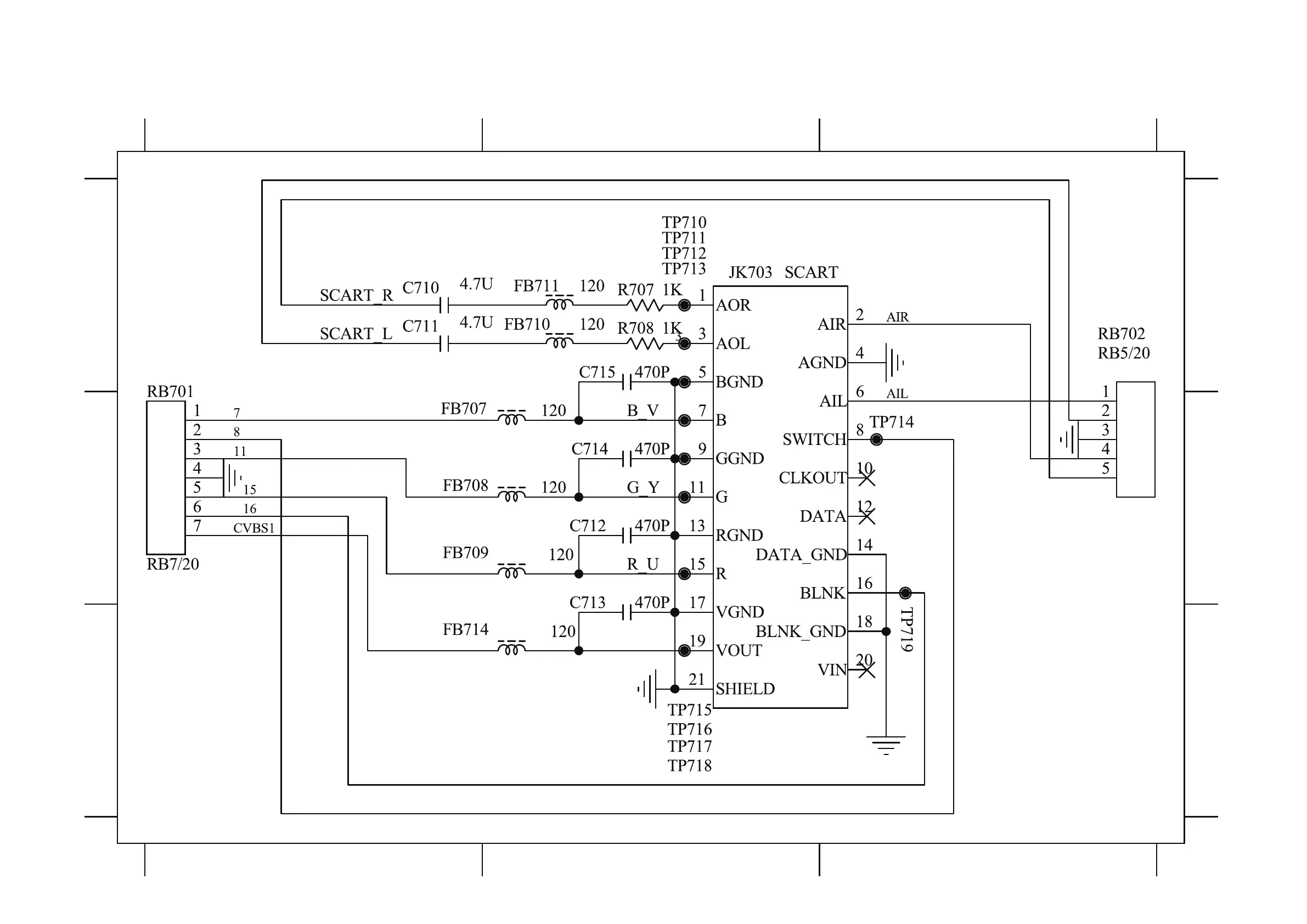
Philips HTS3373 - SCART Board Circuit Diagram

Philips HTS3373
38 pages
Print Icon
To Next Page IconTo Next Page
To Next Page IconTo Next Page
To Previous Page IconTo Previous Page
To Previous Page IconTo Previous Page
Loading...
9 - 2 9 - 2
1 2 3
1
2 3
A
B
C
A
B
C
CIRCUIT DIAGRAM
C710 A1
C711 A1
C712 B2
C713 B2
C714 B2
C715 A2
FB707 B1
FB708 B1
FB709 B1
FB710 A2
FB711 A2
FB714 C2
JK703 A2
R707 A2
R708 A2
RB701 B1
RB702 A1

Other manuals for Philips HTS3373

Related product manuals