EasyManua.ls Logo

Philips HTS5540 - Page 44

Philips HTS5540
47 pages
Print Icon
To Next Page IconTo Next Page
To Next Page IconTo Next Page
To Previous Page IconTo Previous Page
To Previous Page IconTo Previous Page
Loading...
1 2
1 2
A
B
A
B
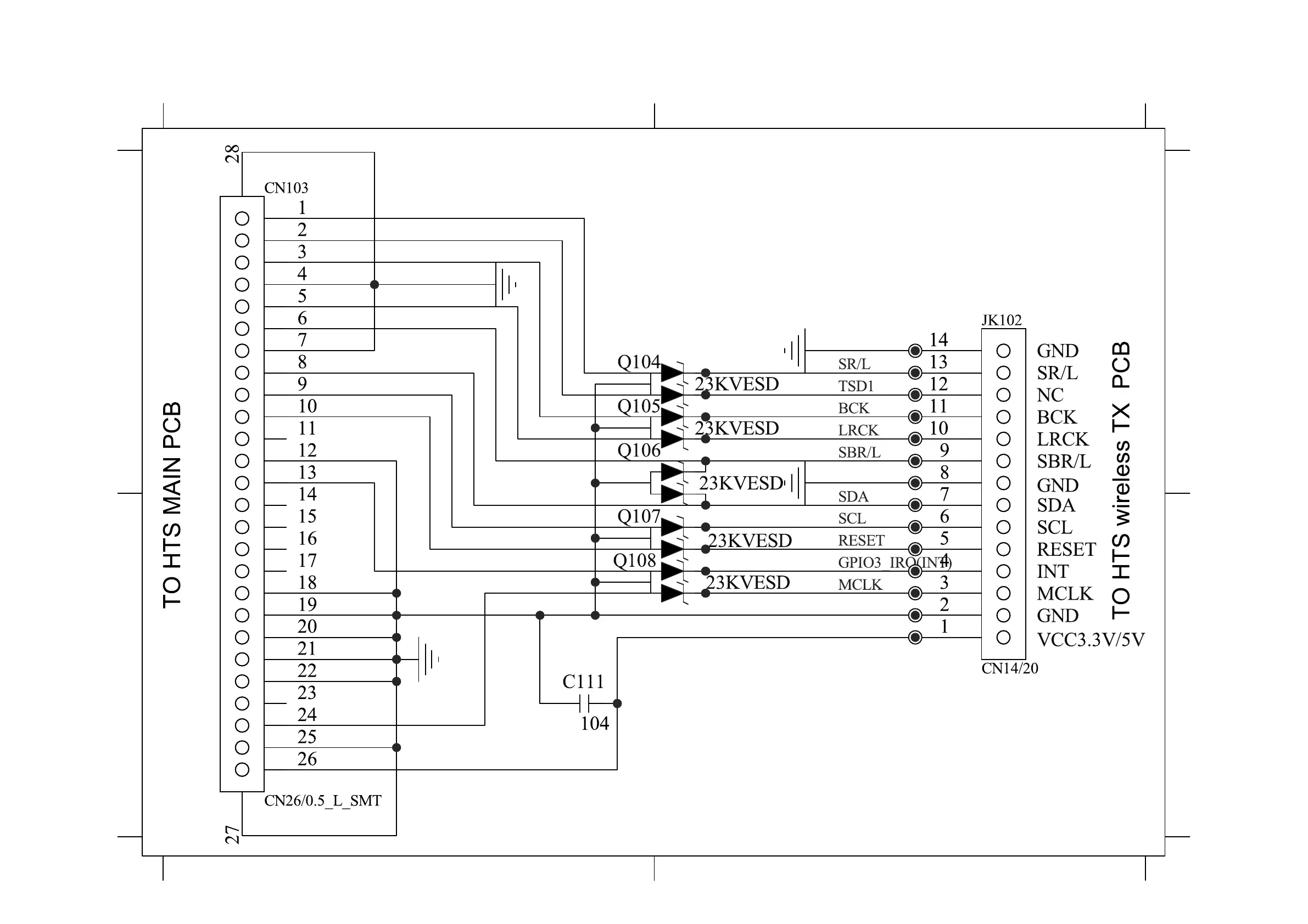
CN103 A1 JK102 A2 Q104 A2 Q105 A2 Q106 A2 Q107 B2 Q108 B2

Other manuals for Philips HTS5540

Related product manuals