EasyManua.ls Logo

Philips MC145 - Circuit Diagram - Combi Board (CD Part)

Philips MC145
24 pages
Print Icon
To Next Page IconTo Next Page
To Next Page IconTo Next Page
To Previous Page IconTo Previous Page
To Previous Page IconTo Previous Page
Loading...
7 - 27 - 2
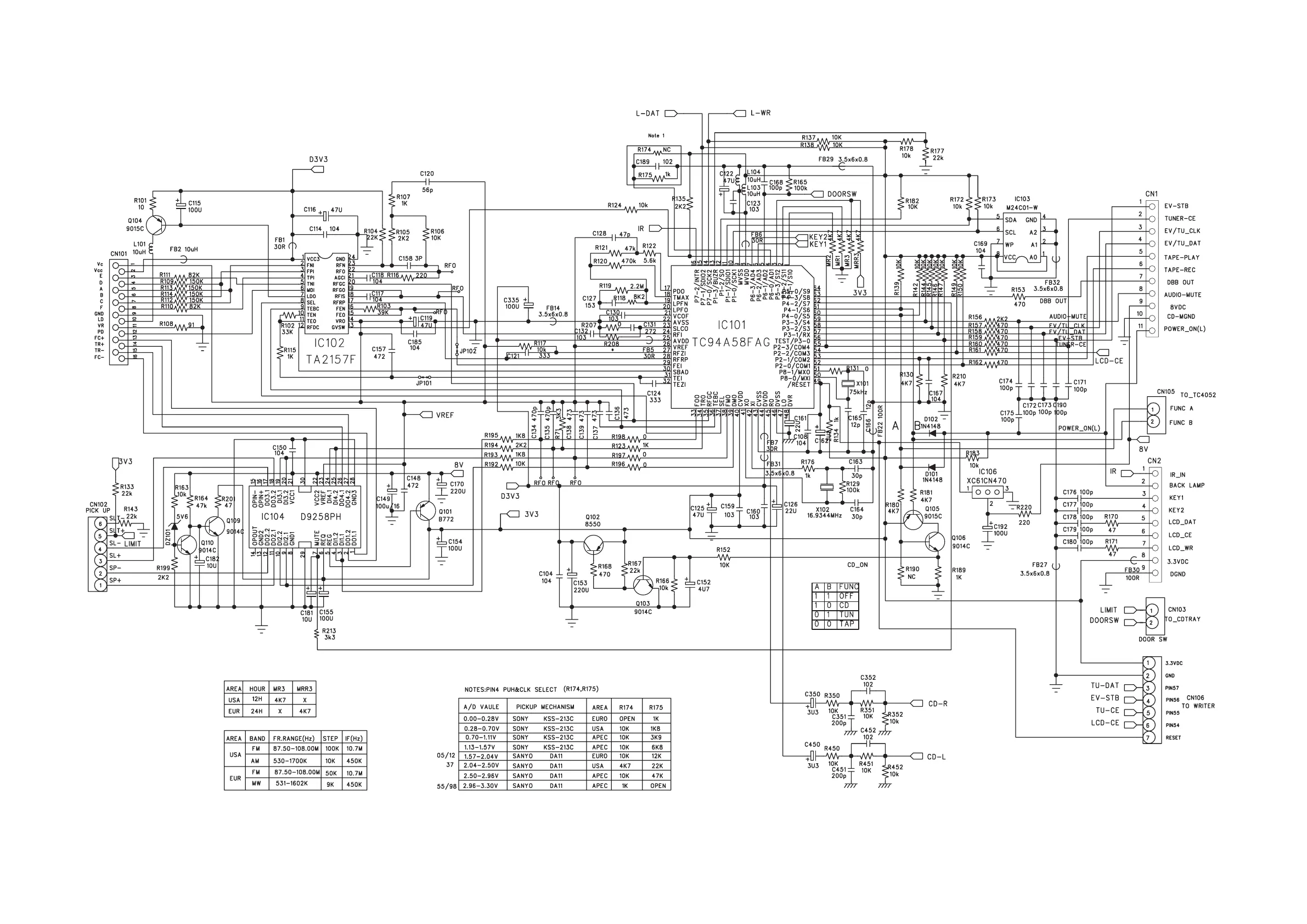
CIRCUIT DIAGRAM - COMBI BOARD (CD part)

Other manuals for Philips MC145

Related product manuals