EasyManua.ls Logo

Philips MCB146 - CD Player Operations; Loading and Playing CDs

Philips MCB146
20 pages
Print Icon
To Next Page IconTo Next Page
To Next Page IconTo Next Page
To Previous Page IconTo Previous Page
To Previous Page IconTo Previous Page
Loading...
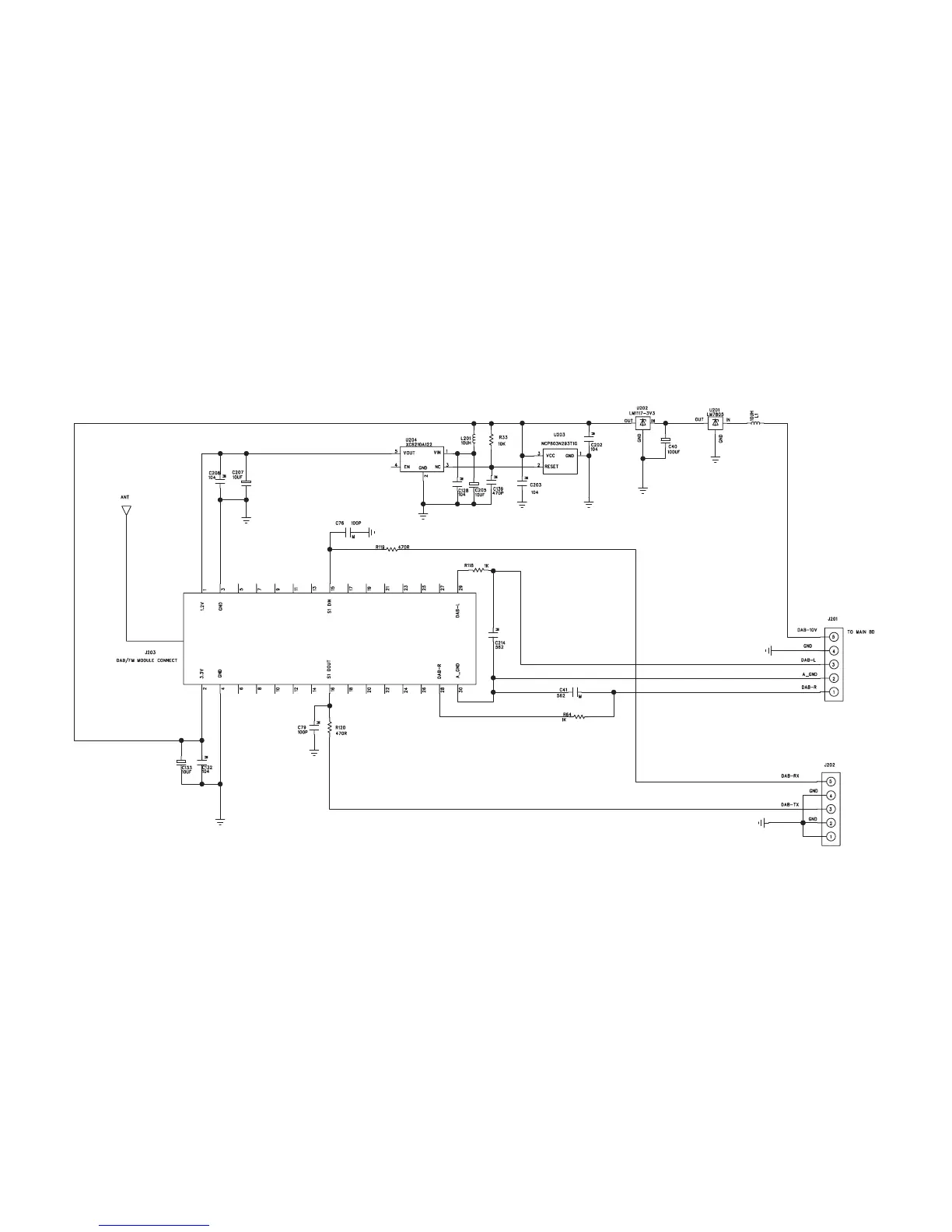
CIRCUIT DIAGRAM - MAIN BOARD
TUNER PART
5 - 3 5 - 3

Other manuals for Philips MCB146

Related product manuals