EasyManua.ls Logo

Philips MCD183/05 - Block Diagram

Philips MCD183/05
27 pages
Print Icon
To Next Page IconTo Next Page
To Next Page IconTo Next Page
To Previous Page IconTo Previous Page
To Previous Page IconTo Previous Page
Loading...
4-1
4-1
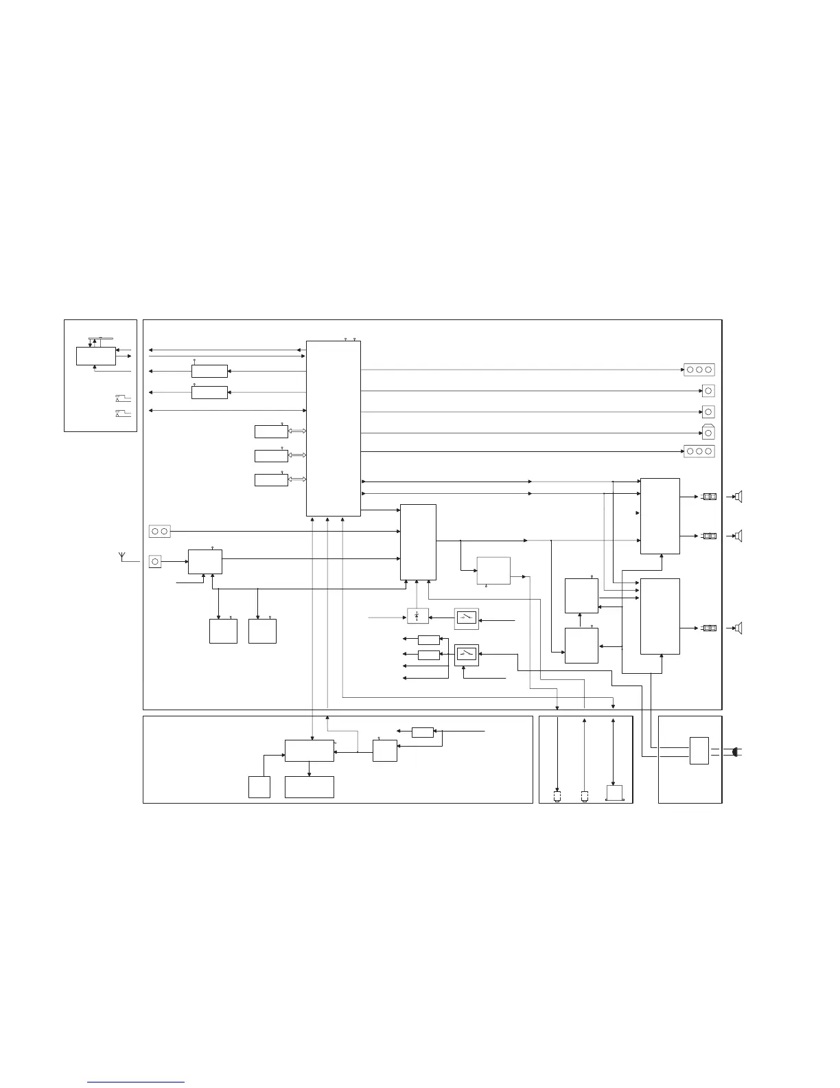
Block Diagram
MCD183
Main chipset
MT1389DE-LEAL
MT1389DXE-S(W/O DTS)
OR
313AAD
Loader motor driver
CD5954
SONY pick up
DVD Loader
M5V
SDRAM
FLASH
MX29LV160
M12L64164A-7T
M3.3V
M3.3V
SERIAL EEPROM
24C02
M3.3V
3.3V
MCU5V
LCD Driver
LCD 183KEY
IR
FM Antenna 75OHM
AUX1
USB
FM
Si4704
AMC1117
AMC1117
M3.3V
M1.8V
POWER
3.3V
1.8V
FM5V
4M * 16
2M * 8 bits
FR SPK
Open/Close Driver
M5V
FL SPK
Door Detect
ZX935P
DISPLAY BOARD
MAIN BOARD
or Si4705(RDS)
+27V
M5V
+26V
4 OHM
4 OHM
M3.3V
1.8V
24C02
MCU5V
EEPROM
FM RST
SM9435
CEO POWER
PT2314
AUDIO PROCESS
FL&FR
CLOSE DOOR
OPEN DOOR
AV
Y U V
S-VIDEO
COAXIAL
5V
PT2309
HP AMP
HEADPHONE
STANDBY
MUTE
PCM8563
MCU5V
RTC
SWITCH
OPTICAL
MP3 IN
MCU5V
ADJ1117
3.3V
3.3V
4 Ohm 25W at 10%
4 Ohm 25W at 10%
1
2
1
2
TPA3123D2
POWER AMP
8 Ohm 50W at 10%
1
2
TPA3123D2
POWER AMP
TL072
PRE-AMP
12V
TL072
PRE-AMP
12V
SUB SPK
8 OHM
+27V
MCU5V
POWER SUPPLY
AC IN 110V--230V
MCU
MCU5V
STANDBY
STANDBY
FL&FR
MUTE
MUTE
MUTE
FM5V
MCU5V
8550
9.1V
STANDBY
9.1V
AUX IN
MP3 IN
STANDBY
SUB
SUB
FM L&R

Related product manuals