EasyManua.ls Logo

Philips MCD708 - Using Component Video Jacks

Philips MCD708
47 pages
Print Icon
To Next Page IconTo Next Page
To Next Page IconTo Next Page
To Previous Page IconTo Previous Page
To Previous Page IconTo Previous Page
Loading...
5 - 25 - 2
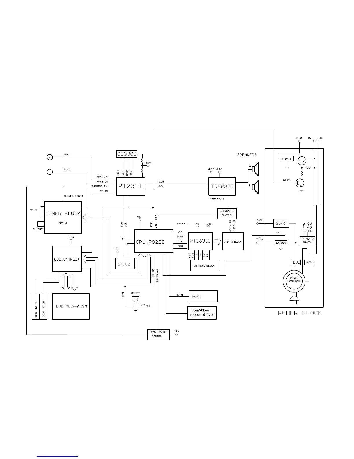
SET BLOCK DIAGRAM

Other manuals for Philips MCD708

Related product manuals