EasyManua.ls Logo

Philips N 4450 - Tone Control and Output Stages; Tone Control Unit (P7;P107); Power Output Unit (P8;P108); Oscillator Unit (P9)

Philips N 4450
24 pages
To Next Page IconTo Next Page
To Next Page IconTo Next Page
To Previous Page IconTo Previous Page
To Previous Page IconTo Previous Page
Loading...
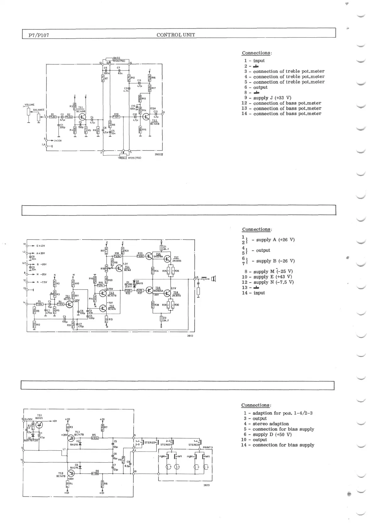
P7/P107
TONE
CONTROL UNIT
4822 218 30066
Fig. 13
P8/P108
POWER OUTPUT UNIT 4822 218 30065
Fig. 14
P9
OSCILLATOR UNIT
4822 218 30061
Fig. 15
CS31710

Related product manuals