EasyManua.ls Logo

Philips NN-SN968B - 14 9.6. Packing and Accessories; 10 Digital Programmer Circuit; Schematic Diagram

Philips NN-SN968B
33 pages
Print Icon
To Next Page IconTo Next Page
To Next Page IconTo Next Page
To Previous Page IconTo Previous Page
To Previous Page IconTo Previous Page
Loading...
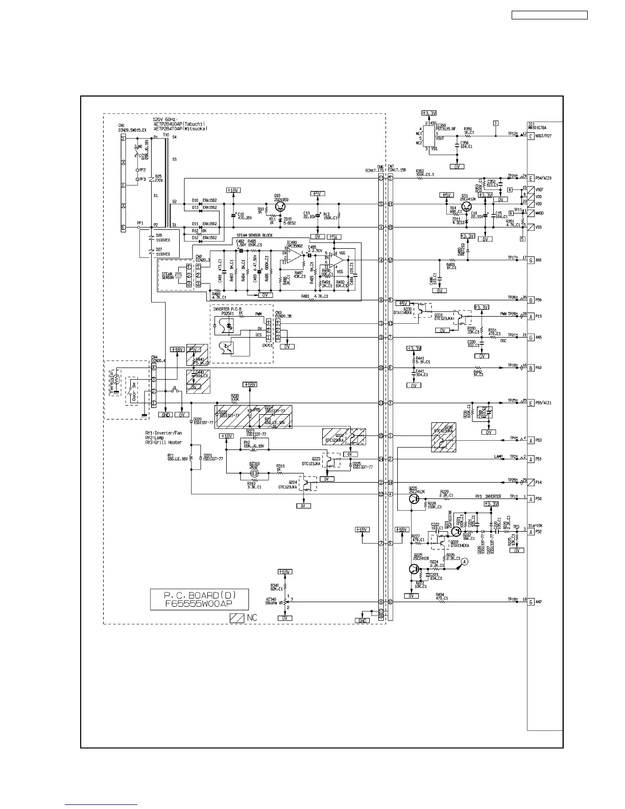
10 DIGITAL PROGRAMMER CIRCUIT
10.1. SCHEMATIC DIAGRAM
31
NN-SN968B / NN-SN968BT

Table of Contents