EasyManua.ls Logo

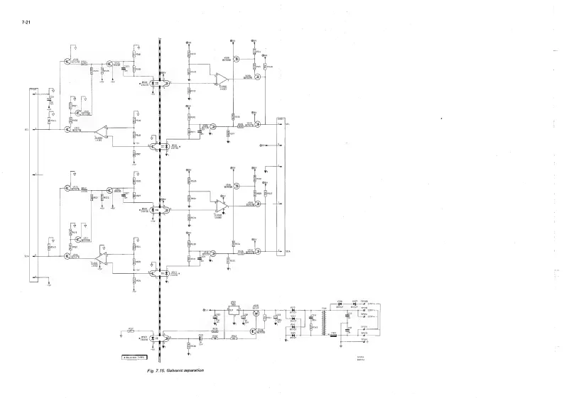
Philips PM2519 - Fig. 7.15. Galvanic separation

Philips PM2519
126 pages
Print Icon
To Next Page IconTo Next Page
To Next Page IconTo Next Page
To Previous Page IconTo Previous Page
To Previous Page IconTo Previous Page
Loading...
7-21
SCL
!
wi800
vs03
BCSi78
A566
veut
BCS596
Ov
SCL
Fig.
7.15.
Galvanic
separation
SOA
vs26
527
TPSO8
VA
v522
Byv27
evv27
pst
t
@
220.
|
eve?
t
ics2
5
rPs12
¥s23
as“
5,
9"
220v~.
Brv27
vse
TPstt
cs2
8537
R539
BYV27
@
{s8t
uit}
28
L
ie
BCSE95
ves
»
1P513
it
+
a
R540
R542
8503
A
ayy
+S
{i
ay
co
7
ia
+.
25v
7
#
SELECTED
TYPES
J
sree
i073

Related product manuals