EasyManua.ls Logo

Philips PM2519 - OQ 0071 ADC INTERFACE

Philips PM2519
126 pages
Print Icon
To Next Page IconTo Next Page
To Next Page IconTo Next Page
To Previous Page IconTo Previous Page
To Previous Page IconTo Previous Page
Loading...
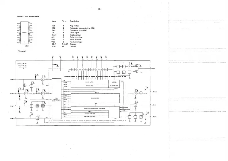
10-11
OG
0071
ADC
INTERFACE
Name
Pinnr.
Description
H
VEE
1
Neg.
voltage
AZC
2
Automatic
zero
control
to
ADC
Data
3
Data
signal
from
ADC
;
00071
Clik
4
Clock
input
Ready
5
Ready
output
SCL
6
Serial
clock
line
SDA
7
Serial
data
line
vss
9
Positive
voltage
i
O0...7
8,10-17
Outputs
VDD
18
Ground
(Top
view)
Pe.
VSS
vDD
0
Qi
Q2
qQ3
ae as as Q?
1,5Y
tae
VEE
-5V
——»
vss
ov
voD
~~
h
RANGE-
REG
SHIFTN
|_|
SHIFTN
|
e+
[oN
DATA
COUNTER
Pia
SS
=
DECODER
+
RESON
crock~contRot
|
[p54
pot
yt
cuK
(CNT
-
“fax
|__i
stat
H
in
SEQUENCE
CONTROL+
DATA
CONVERTER
ee
ne
ae
eres
ee!
TIMER
WAITING
TIME
REG
i
m
MEASURE
TIME
REG
©
Pr
veeg——4
J
|
a
r
a
POR
vss.
}

Related product manuals