EasyManua.ls Logo

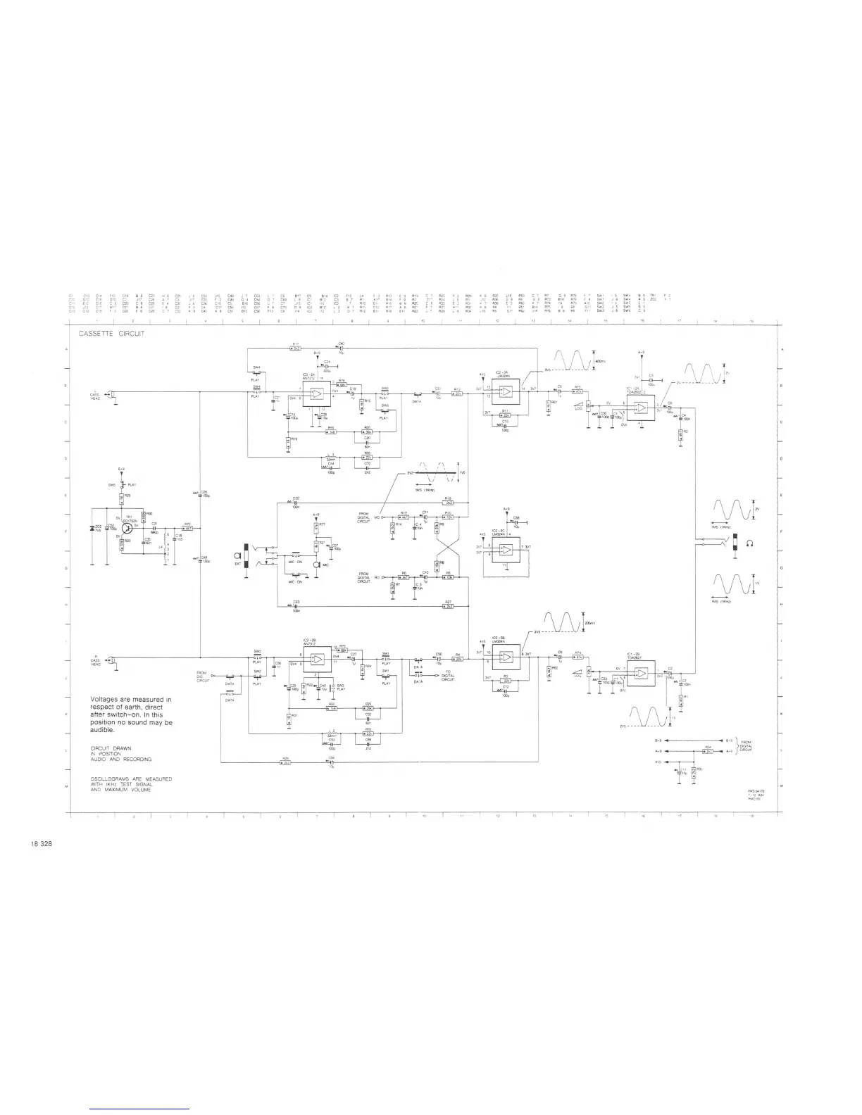
Philips PMC100 - Cassette Circuit Schematic

Philips PMC100
10 pages
Print Icon
To Next Page IconTo Next Page
To Next Page IconTo Next Page
To Previous Page IconTo Previous Page
To Previous Page IconTo Previous Page
Loading...

Related product manuals