EasyManua.ls Logo

Philips VR140/02 - Page 26

Philips VR140/02
92 pages
Print Icon
To Next Page IconTo Next Page
To Next Page IconTo Next Page
To Previous Page IconTo Previous Page
To Previous Page IconTo Previous Page
Loading...
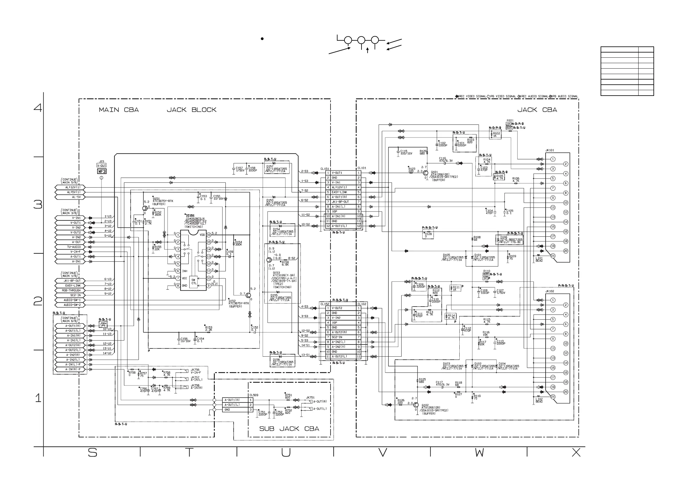
Main 4/8 & Jack & Sub Jack Schematic Diagram
1-10-40
1-10-41
HE270SCM4
THE SAME VOLTAGE FOR
BOTH PLAY & REC MODES.
INDICATES THAT THE VOLTAGE
IS NOT CONSISTENT HERE.
MODE: SP/REC
PLAY MODE
REC MODE
1
2
3
5.0
5.0
(2.5)
~
ā€œ ā€œ = SMD
Comparison Chart of
Models and Marks
MODEL MARK
VR140/02 N
VR140/07 O
VR140/39 P
VR140/58 Q
VR840/07 R
VR840/16 S
VR840/39 T
VR840/58 U