EasyManua.ls Logo

Philips VR140/02 - Page 83

Philips VR140/02
92 pages
Print Icon
To Next Page IconTo Next Page
To Next Page IconTo Next Page
To Previous Page IconTo Previous Page
To Previous Page IconTo Previous Page
Loading...
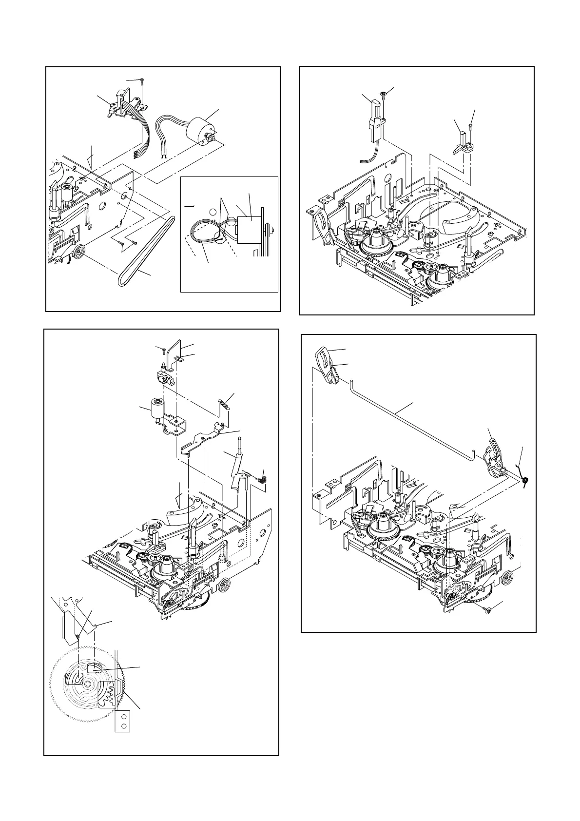
2-4-21 HE490DA
Fig. DM7
[8]
View for A
Desolder
from bottom
Lead with White Stripe
A
[8]
[9]
(S-4)
(S-3)
LDG
Belt
Fig. DM8
[11]
[13]
[12]
A
[10]
(L-4)
Adj. Screw
(P-3)
(P-2
)
[27]
When reassembling [10] and
[12], confirm that pin of [10]
and pin of [12] are in the
groove of [27] as shown.
Pin of [12]
Pin of [10]
Groove of [27]
View for A
Fig. DM9
[14]
[15]
(S-6)
(S-5)
Fig. DM10
[17]
[16]
[18]
(S-7)
(L-5)
(P-4
)

Related product manuals