EasyManua.ls Logo

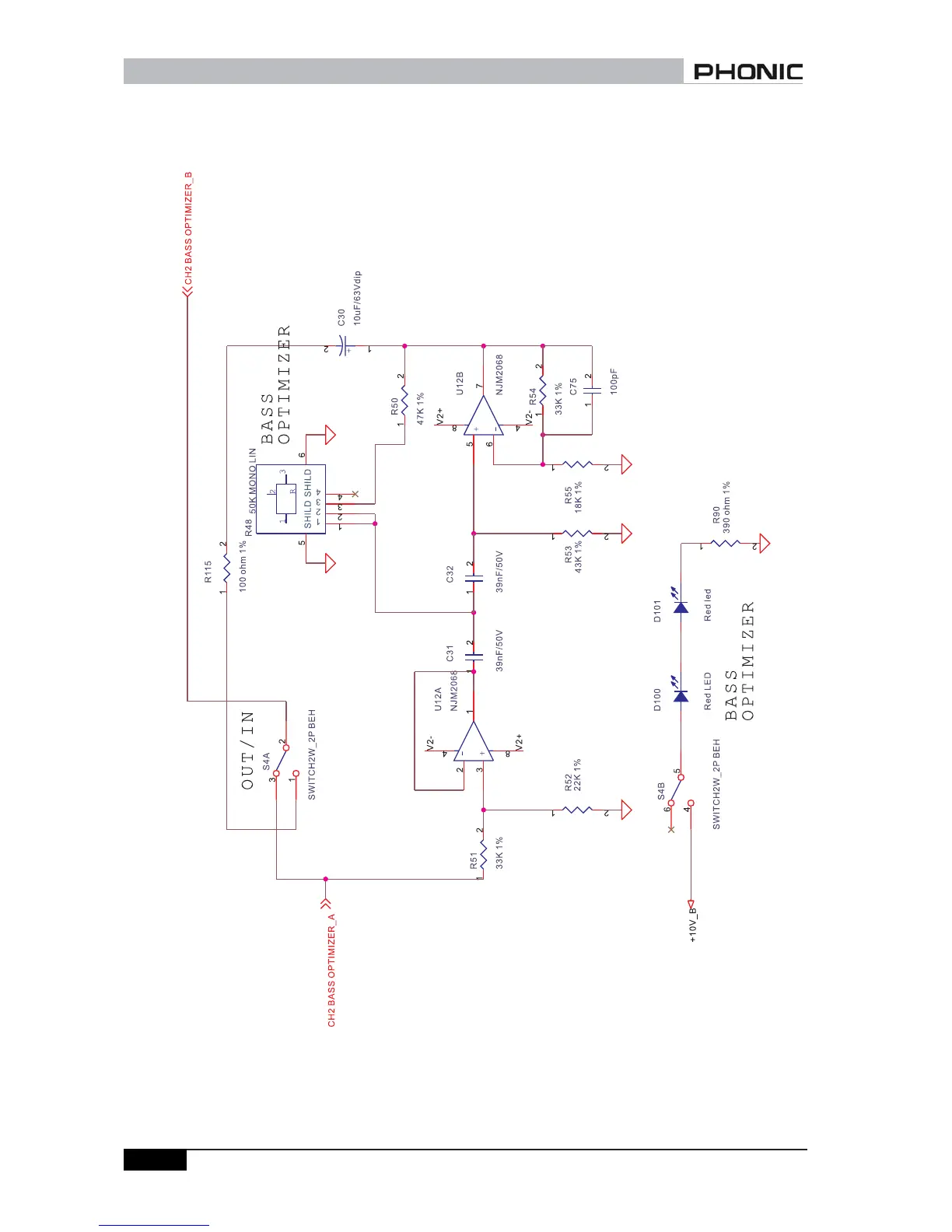
Phonic A6100 - Channel 2 Bass Optimizer

Phonic A6100
32 pages
Print Icon
To Next Page IconTo Next Page
To Next Page IconTo Next Page
To Previous Page IconTo Previous Page
To Previous Page IconTo Previous Page
Loading...
3+21,&&25325$7,21$6(59,&(0$18$/
3DJH
&+%$66237,0,=(5

Related product manuals