EasyManua.ls Logo

Phonic K16 - Page 25

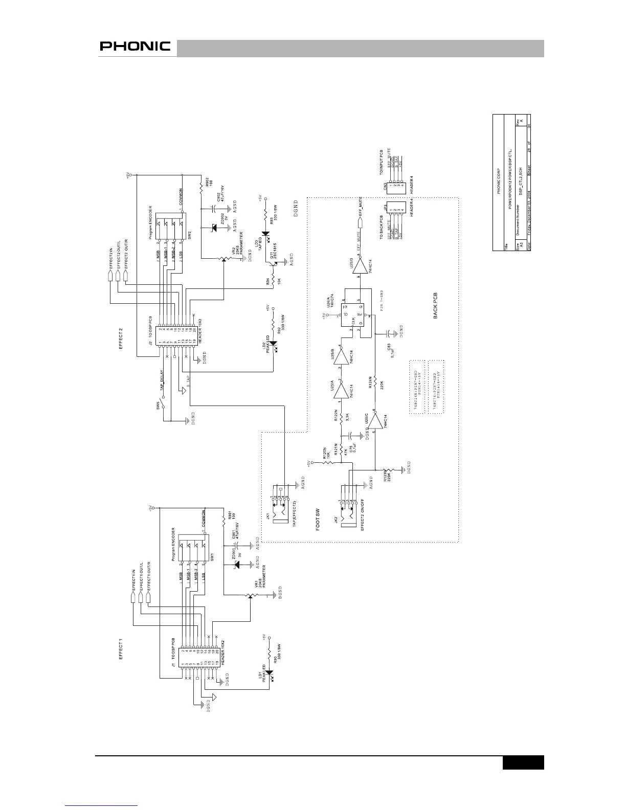
Phonic K16
62 pages
Print Icon
To Next Page IconTo Next Page
To Next Page IconTo Next Page
To Previous Page IconTo Previous Page
To Previous Page IconTo Previous Page
Loading...
.6(59,&(0$18$/3+21,&&25325$7,21
3DJH
'63&7/

Related product manuals