EasyManua.ls Logo

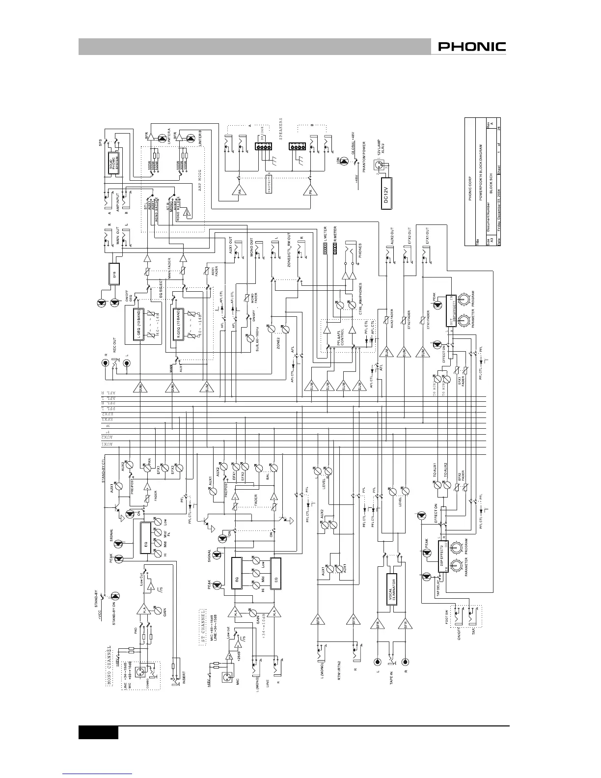
Phonic K16 - System Block Diagram

Phonic K16
62 pages
Print Icon
To Next Page IconTo Next Page
To Next Page IconTo Next Page
To Previous Page IconTo Previous Page
To Previous Page IconTo Previous Page
Loading...
3+21,&&25325$7,21.6(59,&(0$18$/
3DJH
%/2&.

Related product manuals