EasyManua.ls Logo

Phonic PCX 4000 - Block Diagram

Phonic PCX 4000
28 pages
Print Icon
To Previous Page IconTo Previous Page
To Previous Page IconTo Previous Page
Loading...
PCX4000
2
Appendix Apéndice
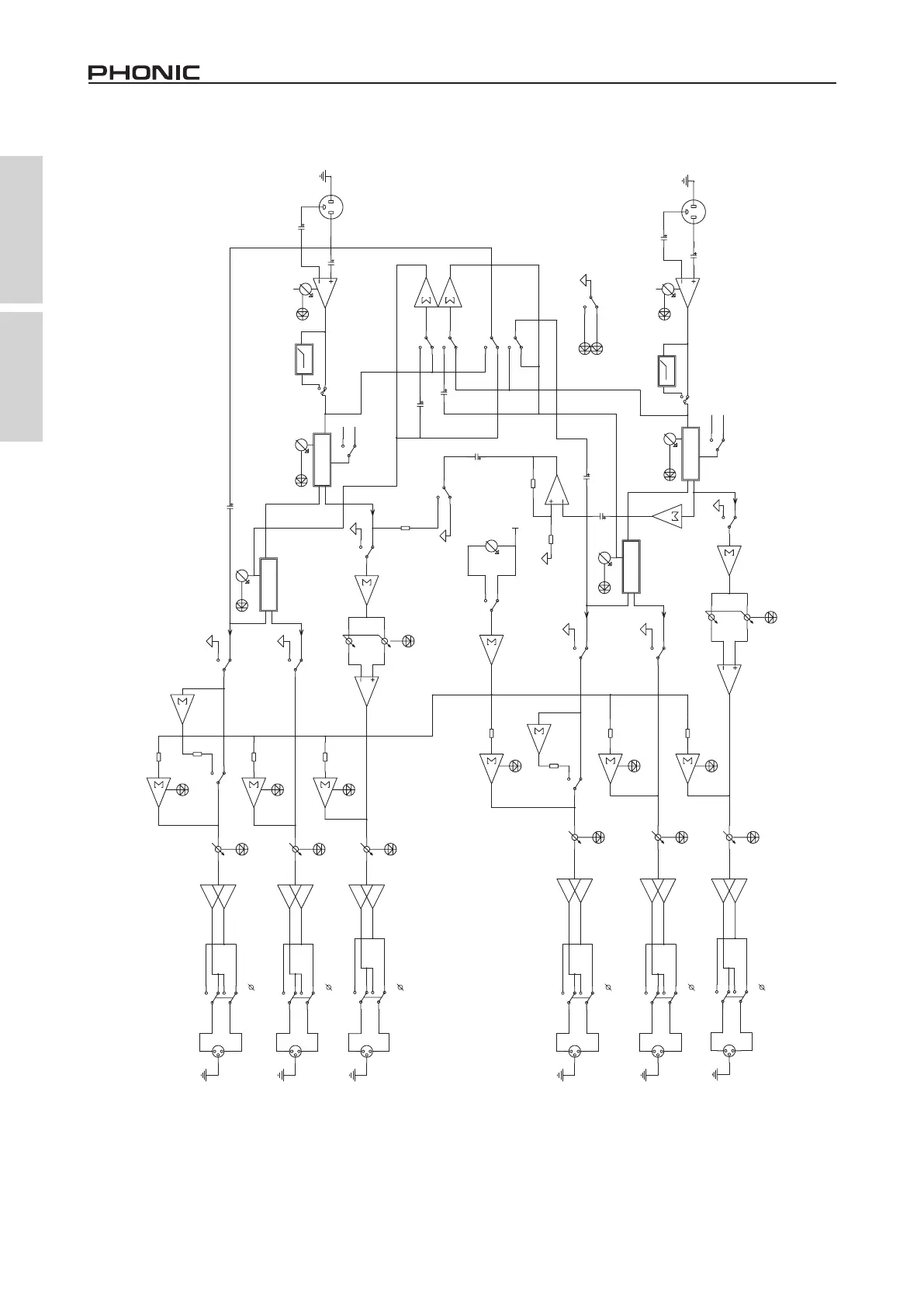
BLOCK DIAGRAM DIAGRAMA DE BLOQUE
X10
X1
X1
X10
LIM
LIM
LIM
LIM
LIM
LIM
2
3
1
1 2
3
2
3
1
23
1
2
3
1
23
1
1 2
3
23
1
HIGH/HIGH
MF
24dB/Oct Linkwitz
-Riley Filter
LOW/MID/HIGH
XOVER FREQ.
25Hz HPF
MONE
DELAY
LF SUM
MUTE
MUTE
INPUT
THRESOLD LIMITER
XOVER FREQ.
25Hz HPF
HF
INPUT 2
LOW CUT
NOT USED/LOW
LOW CUT
GAIN
24dB/Oct Linkwitz
-Riley Filter
MUTE
GAIN
NOT USED/HIGH
HIGH-MID/MID
MONE
MONO
CD HORN
STEREO
24dB/Oct Linkwitz
-Riley Filter
MF
MUTE
INPUT
LOW-MID/MID
INPUT 1
XOVER FREQ.
MUTE
24dB/Oct Linkwitz
-Riley Filter
LF
MUTE
LF
MODE
GAIN
CD HORN
GAIN
MONE
XOVER FREQ.
LOW/LOW
MODE
GAIN
MULTBAND LIMITER
HF
GAIN
LOW/MID/HIGH
DELAY
+15V
INV
INV
INV
INV
INV
INV

Related product manuals