EasyManua.ls Logo

Phonocar 06820 - Page 3

Phonocar 06820
8 pages
Print Icon
To Next Page IconTo Next Page
To Next Page IconTo Next Page
To Previous Page IconTo Previous Page
To Previous Page IconTo Previous Page
Loading...
3
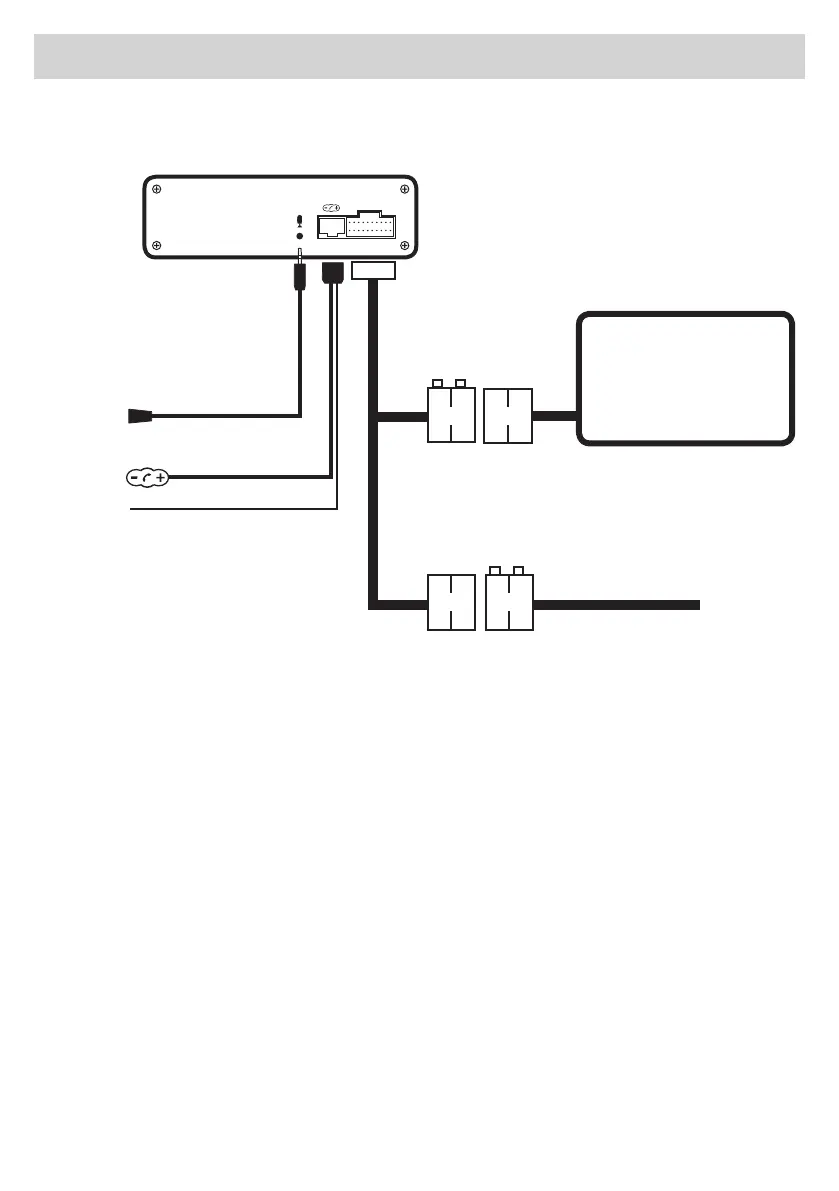
Collegamenti • Connections • Branchements • Verbindungen • Conexiones
CAVO ISO AUTO ALIMENTAZIONE - AUDIO
ISO CAR CABLE POWER - SPEAKERS
ISO
ISO
ISO
ISO
AUTORADIO
CAR RADIO
INTERFACCIA
INTERFACE
MICROFONO
MICROPHONE
TASTIERA
KEYBOARD

Related product manuals