EasyManua.ls Logo

Pierce CP600 - Driveline Coupler Maintenance

Default Icon
36 pages
Print Icon
To Next Page IconTo Next Page
To Next Page IconTo Next Page
To Previous Page IconTo Previous Page
To Previous Page IconTo Previous Page
Loading...
CP600 Pivot Operators Manual
OPERATION, SAFETY & MAINTENANCE
Section 1-18
© Pierce Corporation
July 2010
Power Drivetrain Maintenance
B. Worm gear center drive gearbox lubricants:
A GL-5 SAE 140 or MIL C-2105 gear lube must be in worm gear center drive gear-
boxes. Some common brands meeting this specifi cation are listed in section B of Final
Drive Gearbox. Oil capacity is 3 ½ U.S. pints (1.6 Liters) approximately.
C. In-season worm gear center drive maintenance:
1. Proper oil level (mid bull gear) should be maintained at all times.
2. Contaminated or emulsifi ed oil should be replaced with fresh oil.
3. Input and output shaft seals should be inspected for excessive leaks and should
be replaced if necessary.
A. Driveline Coupler Maintenance
1. Drive line couplers should be inspected periodically for loose bolts and worn rub
ber inserts. Worn inserts should be replaced.
Power Drivetrain Maintenance
File: ams_srvc_0199.doc
Copyright 08/2004
III - WORM GEAR CENTER DRIVE MAINTENANCE PROCEDURES
A. THE WORM GEAR CENTER DRIVE MUST BE SERVICED AS FOLLOWS AFTER EACH
CROP CYCLE. MINIMUM ONCE A YEAR.
1. Inspect input and output shaft seals for leakage. Should either the input or output shaft seals show
excessive leakage, the seals should be replaced. All replaced seals must be installed with
generous amounts of #2 Barium/Lithium base grease (or equivalent quality #2 water resistant
grease) on the seal lips.
2. External seal protectors should be used to keep dirt and water out of internal seal locations. If the
external seals are damaged or worn, replace with new seals.
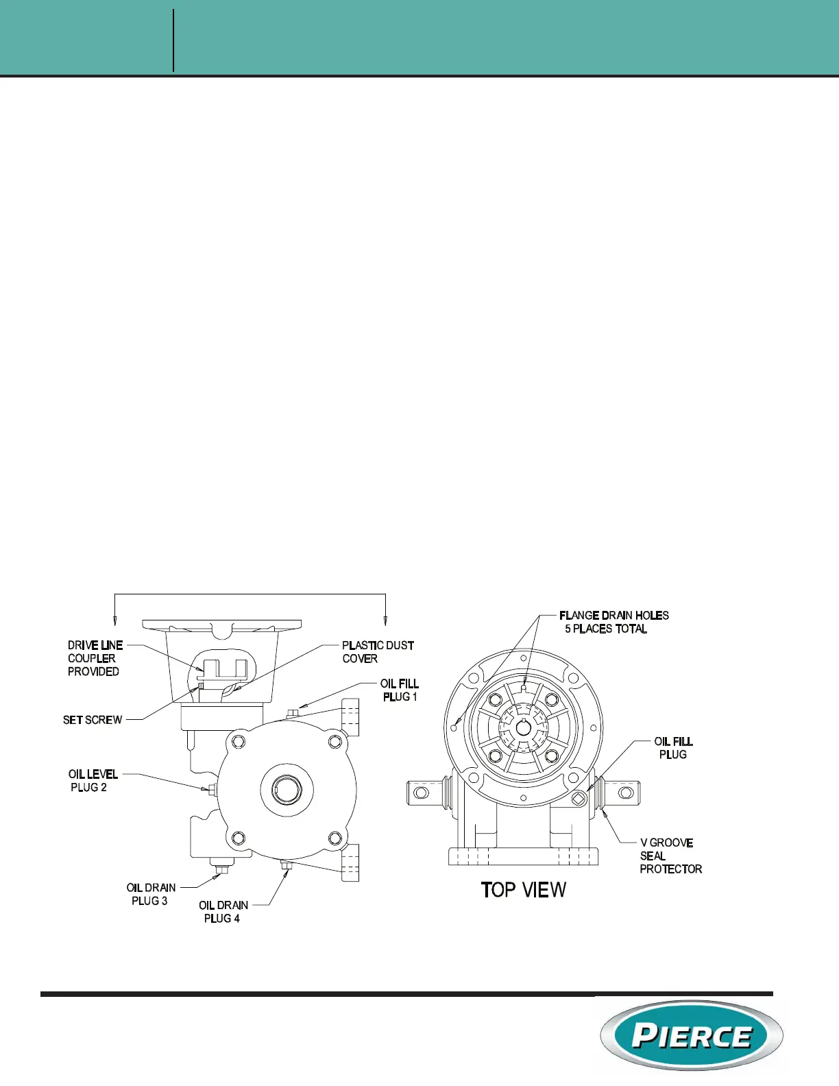
3. The flange drain holes (5 places) located under the motor mount flange must be clear. Clear the
hole with a 12-gauge wire, nail or punch by rotating in the hole to loosen and remove dirt. See
Diagram WG-1.
DIAGRAM WG-1
4. All 5/16-18 cover bolts and internal flange bolts should be torqued to 13-15 ft-lbs.
5. Remove the drain plugs located at bottom of worm (#3) and on the bottom of housing (#4) and
drain the gearbox oil. If the oil is contaminated or emulsified, flush gearbox with a cup of specified
oil and let it drain completely. See Diagram WG-1.
6. Replace the drain plugs and refill the gearbox with oil (at 70
F ambient temperature) through the
oil fill hole (#1) to the proper operating level (mid worm gear at plug #2) as shown in Diagram
WG-1. Refer to the oil specification.
59
Figure 1-16.

Other manuals for Pierce CP600

Related product manuals