EasyManua.ls Logo

Pioneer PRO-111FD - Diagnosis of Sd (Shutdown)

Pioneer PRO-111FD
456 pages
Print Icon
To Next Page IconTo Next Page
To Next Page IconTo Next Page
To Previous Page IconTo Previous Page
To Previous Page IconTo Previous Page
Loading...
76
PDP-5020FD
1
2 3 4
A
B
C
D
E
F
1
2 3 4
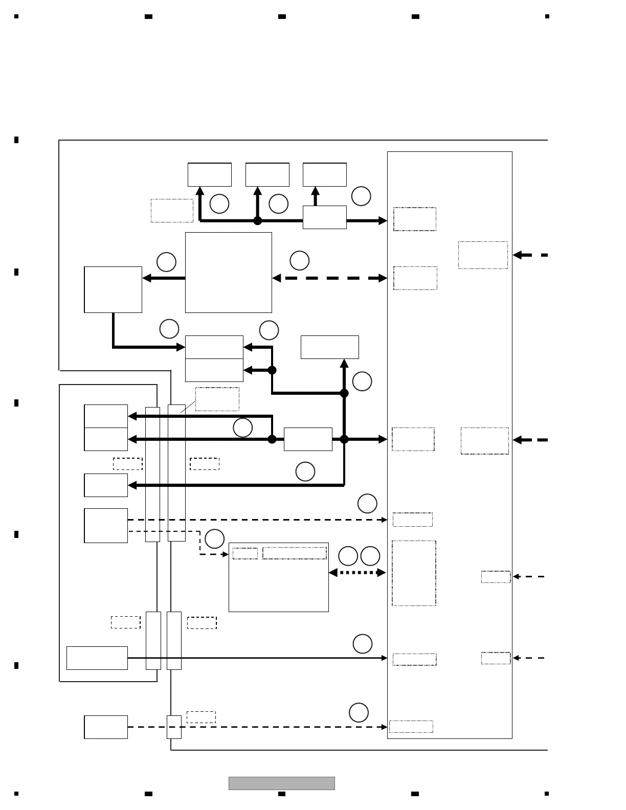
5.4 DIAGNOSIS OF SD (SHUTDOWN)
MAIN ASSY
IO ASSY
8
8
8
8
5
5
97
8
8
15
12
11
10
12
12
TH7891
Temp. sensor
External
FAN
TEMP2
RXD_ARIA
TXD_ARIA
IC8201
MSP
I03
M13
M12
IC7003
EMMA2_UCOM
TXD_MD
RXD_MD
A_NG_B
RST4
RST2
IC8401
D-Amp
I04
IC4702
VDEC
SCL_AV
SDA_AV
SCL_AV5
SDA_AV5
SCL_MA
SDA_MA
IC4801
ADC
IC4901
HDMI_RX
IC7004
EEPROM
IC8001
AV SW
IC8101
RGB SW
SCL_MB
SDA_MB
IC6811
IF_UCOM
TXD_IF
RXD_IF
CLK_IF
BUSY_IF
CE_IF
REQ_IF
OTW
ANT_POW_DE
IC5301
MPX
U5301
AD-FE
IC5501
MN884350
IC6001
BCM7404
TXD_DT
RXD_DT
FAN NG2
M5
2 =>1
SW
5V 3.3V
Converter
[1] BLOCK DIAGRAM OF THE SHUTDOWN SIGNAL

Table of Contents