EasyManua.ls Logo

Plettenberg Nova 15 - Page 16

Plettenberg Nova 15
26 pages
Print Icon
To Next Page IconTo Next Page
To Next Page IconTo Next Page
To Previous Page IconTo Previous Page
To Previous Page IconTo Previous Page
Loading...
operating manual BAIndustrie_UK 16
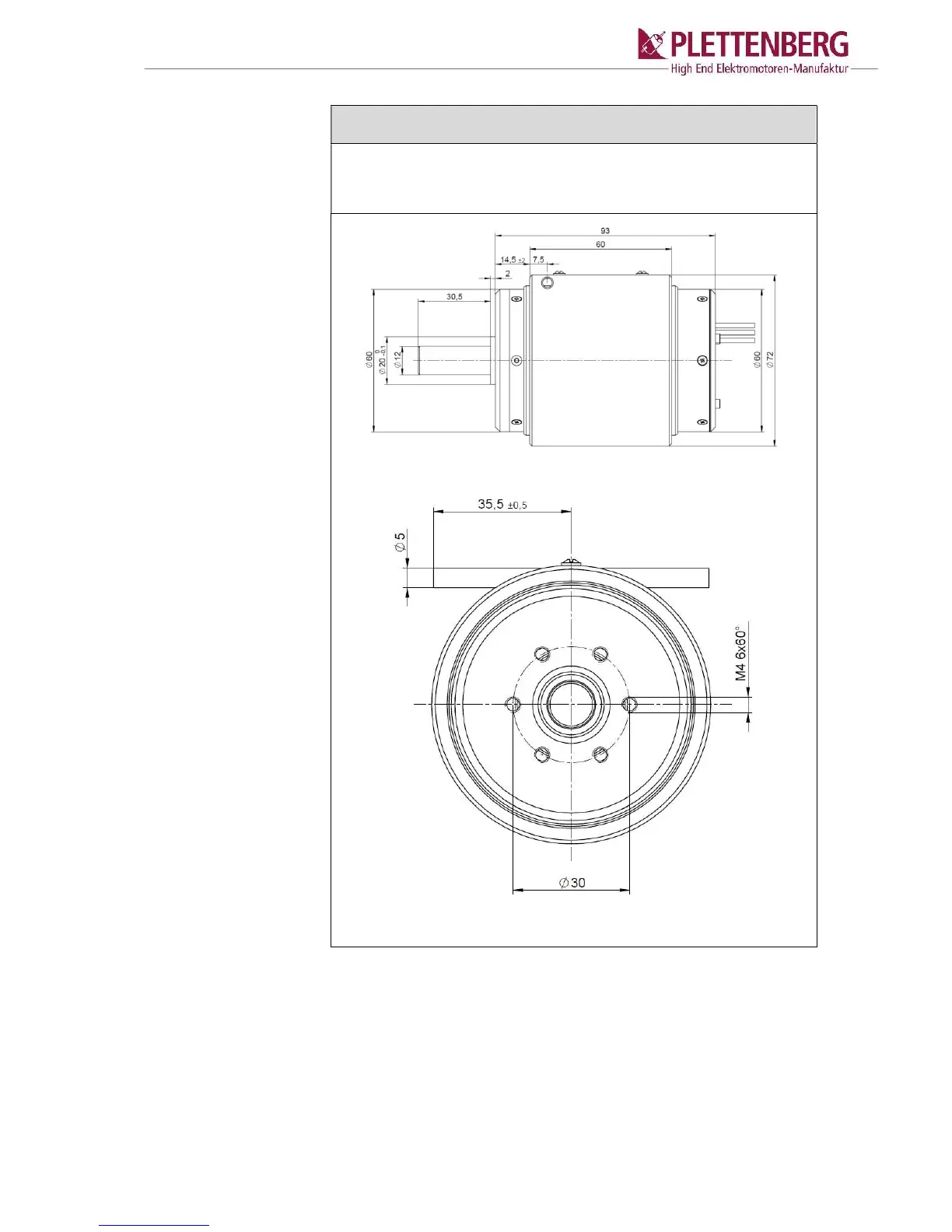
HP 370/50 WK
The motor is fixed with 6 M4 bolts.
Maximum screw-in depth: 8 mm
Maximum tightening torque: 3 Nm

Related product manuals