EasyManua.ls Logo

PM-LUFT GOLD 1 - Wiring Diagram Control Card

PM-LUFT GOLD 1
22 pages
Print Icon
To Next Page IconTo Next Page
To Next Page IconTo Next Page
To Previous Page IconTo Previous Page
To Previous Page IconTo Previous Page
Loading...
7
GOLD 1-3 SK-GB -708
Right to make modifications without prior notice
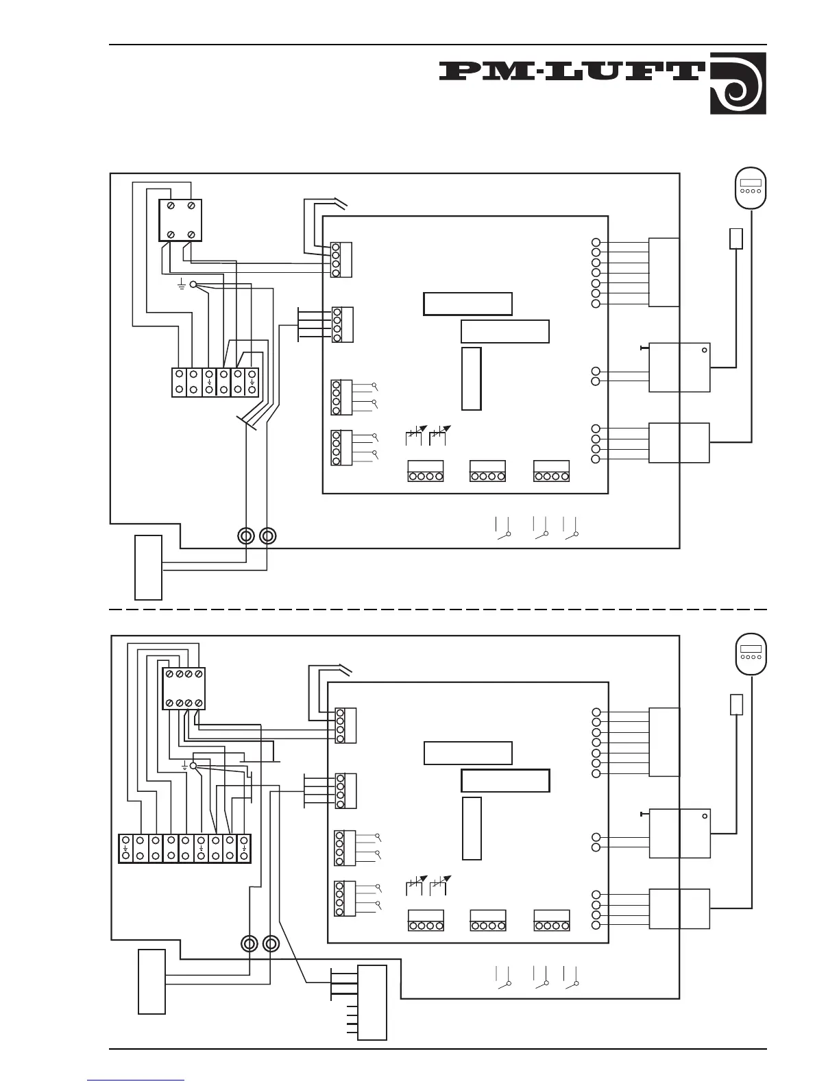
Size 1 and 2
Size 3
5. WIRING DIAGRAM CONTROL CARD
*GOLD* CONTROL CARD
CONNECTION
POSSIBLE
HEATER
SUPPLY AIR
SENSOR
-
+
-
+
DC-OUTPUT
FL TL
HIGH
LOW
FIRE
INPUT
STOP
UNIT
DISPLAY
COMMUNI-
CATION
DISPLAY
ALARM
OUTP. A
ALARM
OUTP. B
-
+
SUPPLY AND COMMUN-
ICATION POWER CARD
MAIN
SWITCH
N
Black
Red
Blue
Brown
White
Yellow
Green
1
7
6
5
4
3
2
Blue
Brown 4
3
Pin
2
1
Green
Yellow 2
1
White
Brown 4
3
1112 910 78563412
24
21
22
23
20
17
18
19
16
13
14
15
L
27 28
UNIT IN
OPER.
COOL.
UNIT
230 V
INPUT
GOLD-CPU
GOLD-PROG
GOLD-CONTROL
QUICK COUPLING
Brown
Blue
Yell/Green
Blue
Brown
Yellow
Green
Blue
Brown
Brown
White
24
21
22
23
20
17
18
19
16
13
14
15
L1
27 28
2 x 230 V INPUT
L2N1 N2
Brown
Yell/G
Blue
Supply
SA fan
Black
Blue
Blue
Brown
Brown
Yellow
Green
Blue
Blue
Brown
Blue
Brown
White
Brown
Blue
Yell/Green
Yell/Green
-
+
-
+
-
+
1
7
6
5
4
3
2
4
3
2
1
2
1
4
3
GOLD-CPU
GOLD-PROG
GOLD-CONTROL
1112 910 78563412
Yell/Green
Yell/Green
*GOLD* CONTROL CARD
DC-OUTPUT
FL TL
DC-IN
SET VALUE
DISPL.
HIGH
LOW
FIRE
INPUT
STOP
UNIT
MAIN
SWITCH
Black
Red
Blue
Brown
White
Yellow
Green
Blue
Brown
Pin
Green
Yellow
White
Brown
ALARM
OUTP. A
ALARM
OUTP. B
SUPPLY AND COMMUN-
ICATION POWER CARD
UNIT IN
OPER.
COOL.
UNIT
QUICK COUPLING
CONNECTION
POSSIBLE
HEATER
SUPPLY AIR
SENSOR
DISPLAY
COMMUNI-
CATION
DISPLAY
Folio
Black
Black
Brown
Blue
Yell/Green
Folio
Black
Black
Brown
DC-IN
SET VALUE
DISPL.
28
25
26
27
28
25
26
27

Related product manuals