EasyManua.ls Logo

Pneumatech AD-1000 - Page 16

Default Icon
24 pages
Print Icon
To Next Page IconTo Next Page
To Next Page IconTo Next Page
To Previous Page IconTo Previous Page
To Previous Page IconTo Previous Page
Loading...
15
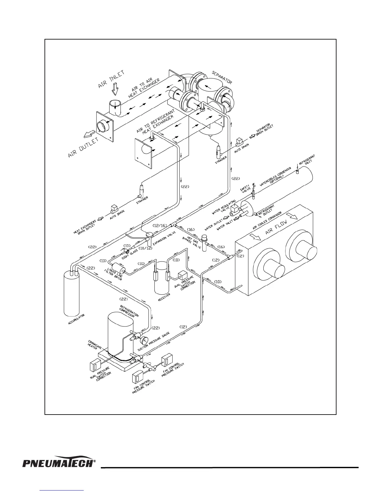
FIGURE 7 — FLOW DIAGRAM AD-1200 to 2000

Related product manuals