EasyManua.ls Logo

Pneumatech AD 750 - Page 17

Pneumatech AD 750
24 pages
Print Icon
To Next Page IconTo Next Page
To Next Page IconTo Next Page
To Previous Page IconTo Previous Page
To Previous Page IconTo Previous Page
Loading...
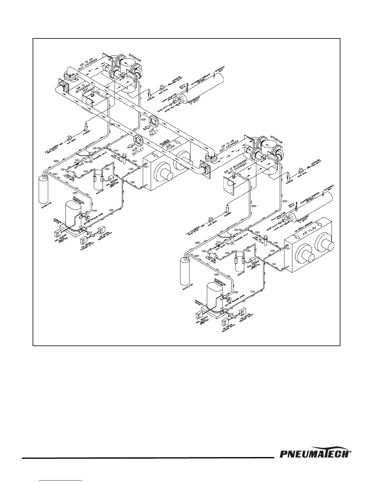
FIGURE 8 — FLOW DIAGRAM AD-2500 to 4000
16

Other manuals for Pneumatech AD 750

Related product manuals