EasyManua.ls Logo

poclain hydraulics MSE18 - Page 83

Default Icon
84 pages
Print Icon
To Next Page IconTo Next Page
To Next Page IconTo Next Page
To Previous Page IconTo Previous Page
To Previous Page IconTo Previous Page
Loading...
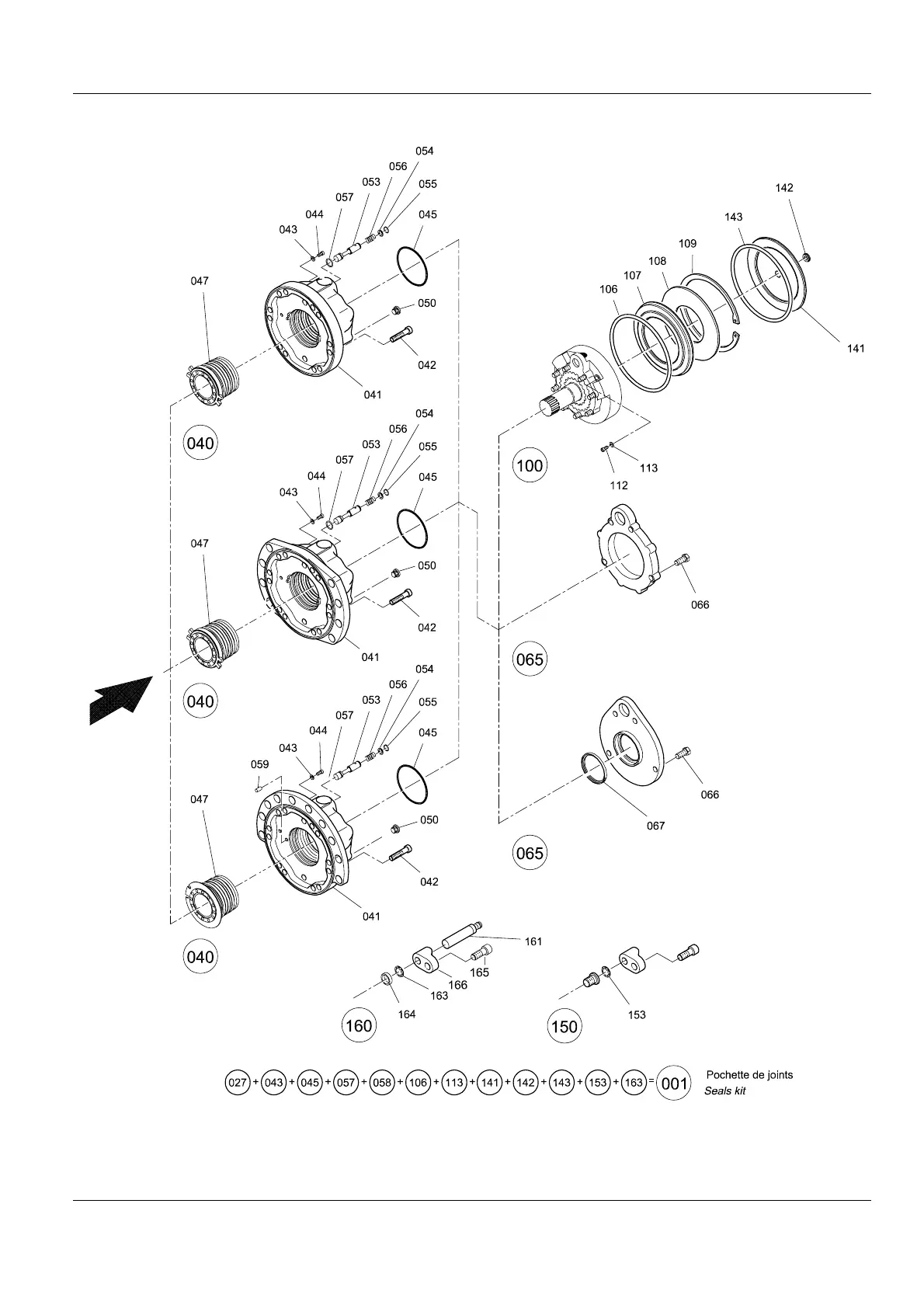
POCLAIN HYDRAULICS
677777845L DOC-REPAIR-MS02-MS18-FR-EN 83
8147

Table of Contents

Related product manuals