EasyManua.ls Logo

PoolRite PoolTherm PASRW020 - Installation and Connection Guide; Typical Installation

PoolRite PoolTherm PASRW020
22 pages
Print Icon
To Next Page IconTo Next Page
To Next Page IconTo Next Page
To Previous Page IconTo Previous Page
To Previous Page IconTo Previous Page
Loading...
4
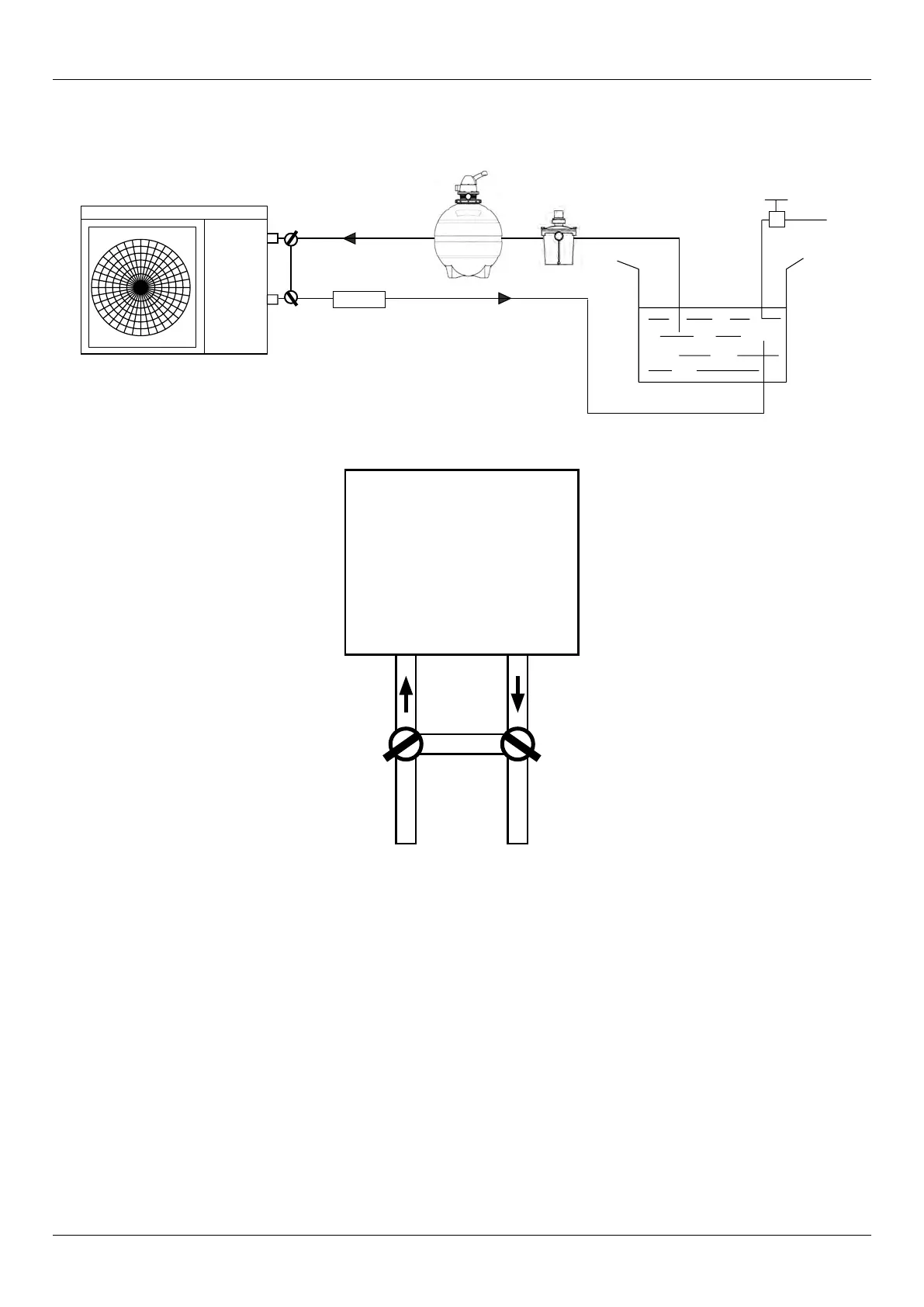
3. INSTALLATION ANd CONNeCTION
3.1 Typical Installation
Water inlet
Valve
Water supply
Chlorinator cell Water Outlet
Pool
Sand filter
(or other type filter)
3 Way Valve3 Way Valve
In Out
Heat Pump
Water pump
Note: Install on a clean concrete base
Bypass

Related product manuals