EasyManua.ls Logo

PoolRite PoolTherm PASRW050 - Wiring Diagrams

Default Icon
22 pages
Print Icon
To Next Page IconTo Next Page
To Next Page IconTo Next Page
To Previous Page IconTo Previous Page
To Previous Page IconTo Previous Page
Loading...
8
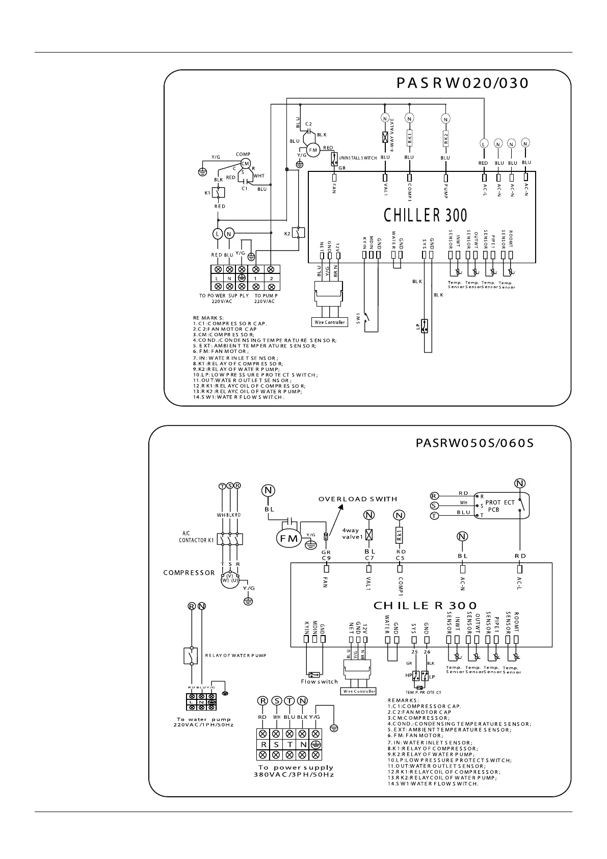
3. INSTALLATION ANd CONNeCTION
3.7 Wiring Diagrams

Related product manuals