EasyManua.ls Logo

poolstar POOLEX MAG - Page 28

poolstar POOLEX MAG
31 pages
Print Icon
To Next Page IconTo Next Page
To Next Page IconTo Next Page
To Previous Page IconTo Previous Page
To Previous Page IconTo Previous Page
Loading...
A
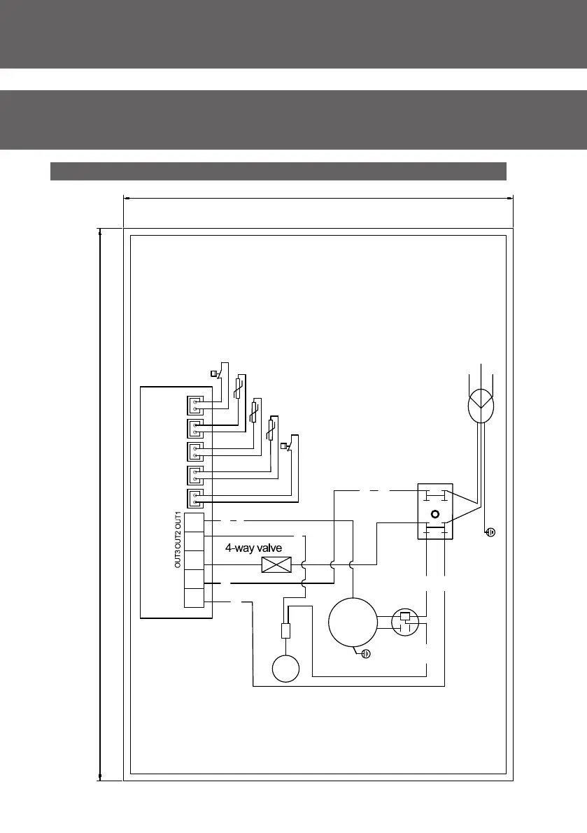
Schémas de câblage de la carte électronique / Diagramas de cableado / Schemi di cablaggio
Wiring diagrams / Schaltpläne / Bedradingsschema
A. Annexes / Apéndices / Appendici Appendices / Anhänge / Bijlage
238
168
PCB
Compressor
S
C
P
L
N1
N
C
Y/G
PE
PE
Y/G
R
P
CN8
AC-N
Brown
Blue
Ambient temperature(Yellow)
Coil temperature (Blue)
The water temperature(White)
Low pressure switch
Water flow switch
Capacitor
White
Red
Red
Red
Red
Blue
Blue
Blue
Blue
Leakage protector
Plug Power Supply
220-240V~/50Hz
AD1AD2AD3AD4
AC-N
FAN
Power adapter
Brown
Blue
MAG FI 4 - 5