EasyManua.ls Logo

poolstar POOLEX Poolican - Annexes and Diagrams; Wiring Diagram

Default Icon
Print Icon
To Next Page IconTo Next Page
To Next Page IconTo Next Page
To Previous Page IconTo Previous Page
To Previous Page IconTo Previous Page
Loading...
1 | FR
ANNEXE / APÉNDICE / APPENDICE /
ANNEX / ANHANG / BIJLAGE
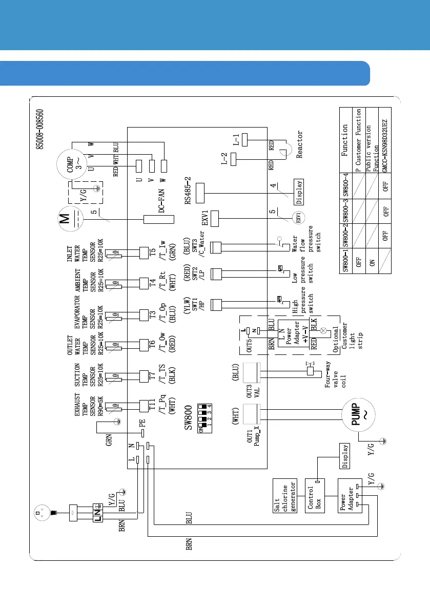
1 / Schéma de câblage / Wiring diagram / Esquema eléctrico
/ Schema di cablaggio / Schaltplan / Aansluitschema


( )

Table of Contents